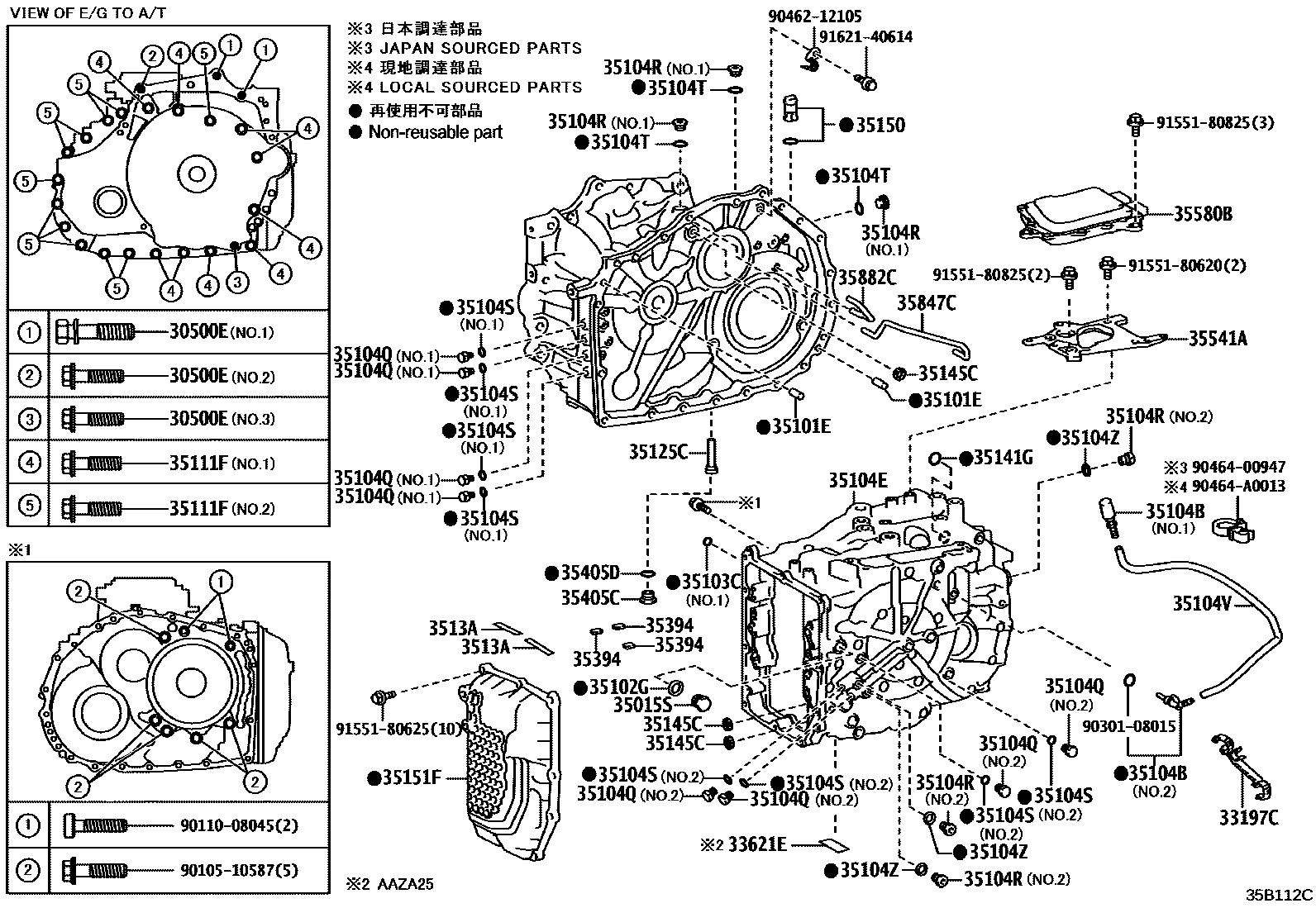
TRANSMISSION CASE & OIL PAN (ATM)

30500EBOLT(FOR TRANSAXLE & ENGINE SETTING)
*10-1.25PX45-36,NO.2,(J)
*12-1.25PX50-30,NO.1,(L)
*8-1.25PX35-22,NO.3,(L)
*10-1.25PX45-36,NO.2,(L)
*12-1.25PX50-30,NO.1,(J)
*8-1.25PX35-22,NO.3,(J)
33197CCLAMP, TRANSMISSION BREATHER
(L)
(J)
33621ELABEL, TRANSAXLE OIL NOTICE
35015SPLUG, STRAIGHT(FOR TRANSMISSION CASE ADAPTER)
35101EPIN, STRAIGHT (FOR AUTOMATIC TRANSMISSION CASE)
35102GGASKET (FOR TRANSAXLE REAR COVER )
35103CRING, O
35104BPLUG, BREATHER, NO.1 (ATM)
NO.1
NO.2
35104ECASE SUB-ASSY, AUTOMATIC TRANSAXLE
35104QPLUG, NO.1 (FOR TRANSAXLE CASE)
NO.1
35104RPLUG, NO.2 (FOR TRANSAXLE CASE)
NO.1
35104SRING, O (FOR TRANSAXLE CASE PLUG NO.1)
NO.1
35104TRING, O (FOR TRANSAXLE CASE PLUG NO.2)
35104VHOSE (FOR BREATHER PLUG)
35104ZGASKET (FOR TRANSAXLE CASE)
35111FBOLT (FOR TRANSAXLE HOUSING & TRANSAXLE CASE SETTING)
*8-1.25PX35-22,NO.2
*8-1.25PX40-22,NO.1
35125CTUBE, TRANSMISSION OIL FILLER, NO.1
3513ARUBBER, TRANSMISSION VIBRATION CONTROL
35141GRING, O (FOR AUTOMATIC TRANSMISSION CASE)
35145CGASKET, TRANSAXLE CASE
35150PLUG ASSY, TRANSMISSION CASE
35151FCOVER, TRANSMISSION CASE, SIDE
35394MAGNET, OIL CLEANER (FOR TRANSMISSION)
35405CPLUG SUB-ASSY, W/HEAD STRAIGHT SCREW
35405DRING, O (FOR STRAIGHT SCREW PLUG)
35541ABRACKET, SHIFT CONTROL ACTUATOR
35580BACTUATOR ASSY, SHIFT CONTROL
35847CTUBE, TRANSMISSION LUBE APPLY
35882CTUBE, DIFFERENTIAL GEAR LUBE APPLY
9010510587
main90105-10587
9011008045
main90110-08045
9046212105
main90462-12105
9046400947
main90464-00947
90464A0013
main90464-A0013
9155180620
main91551-80620
9155180625
main91551-80625
9155180825
main91551-80825
9162140614
main91621-40614
38 parts on this diagram · 2 diagrams in section