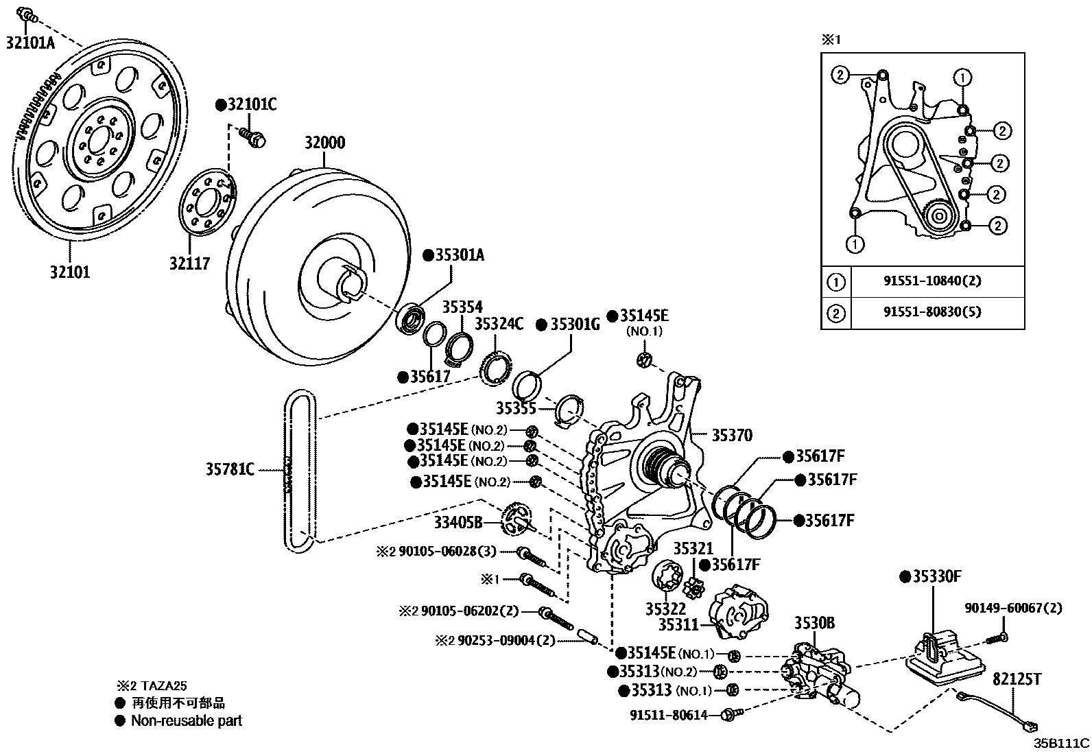
TORQUE CONVERTER, FRONT OIL PUMP & CHAIN (ATM)

32101GEAR SUB-ASSY, DRIVE PLATE & RING
(L)
(J)
32101ABOLT(FOR DRIVE PLATE & TORQUE CONVERTER SETTING)
*9-1.25PX12.4-7.3,BLACK
*9-1.25PX12.4-8.4,SILVER WHITE
32101CBOLT, HEXAGON(FOR DRIVE PLATE SETTING)
*12-1.25PX20.3-14.3
32117SPACER, DRIVE PLATE, REAR
(L)
(J)
33405BSHAFT SUB-ASSY, OIL PUMP DRIVE
35145EGASKET, TRANSAXLE CASE
NO.1
NO.2
35301ASEAL, OIL (FOR FRONT OIL PUMP)
35301GBEARING,NEEDLE ROLLER
3530BCOVER SUB-ASSY, FRONT OIL PUMP & SOLENOID
35311BODY, FRONT OIL PUMP
35313GASKET, FRONT OIL PUMP COVER
NO.1
NO.2
35321GEAR, FRONT OIL PUMP DRIVE
T=16.66
35322GEAR, FRONT OIL PUMP DRIVEN
T=16.66
35324CSPROCKET, TRANSMISSION OIL PUMP DRIVE
35330FSTRAINER ASSY, OIL
35354WASHER, OIL PUMP SPROCKET THRUST, FRONT
35355WASHER, OIL PUMP SPROCKET THRUST, REAR
35617RING, CLUTCH DRUM OIL SEAL
35781CCHAIN, TRANSMISSION DRIVE
82125TWIRE, TRANSMISSION
9010506028
main90105-06028
9010506202
main90105-06202
9014960067
main90149-60067
9025309004
main90253-09004
9151180614
main91511-80614
9155110840
main91551-10840
9155180830
main91551-80830
30 parts on this diagram · 1 diagram in section