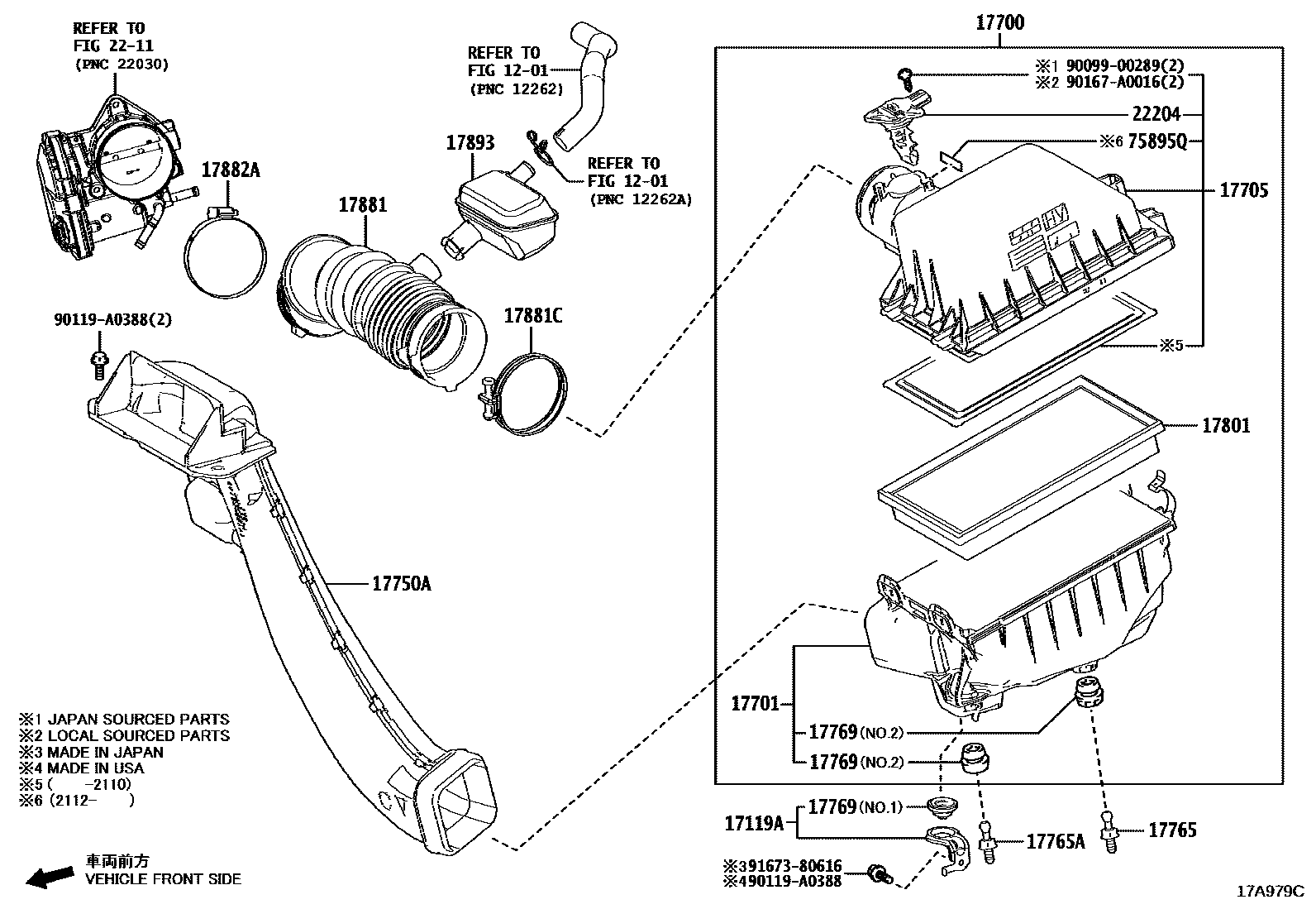
AIR CLEANER

1201
17119ABRACKET, AIR CLEANER
17701CASE SUB-ASSY, AIR CLEANER
17750AINLET ASSY, AIR CLEANER
17765STAY, AIR CLEANER, NO.1
17765ASTAY, AIR CLEANER, NO.1
17769SUPPORT, AIR CLEANER
NO.1:REFER ILLUST.
NO.2:REFER ILLUST.
17801ELEMENT SUB-ASSY, AIR CLEANER FILTER
(J)
(J)
(L)
(L)
17881HOSE, AIR CLEANER, NO.1
17881CCLAMP(FOR AIR CLEANER HOSE, NO.1)
17882ACLAMP(FOR AIR CLEANER HOSE, NO.2)
17893RESONATOR, INTAKE AIR
2211
22204METER SUB-ASSY, INTAKE AIR FLOW
75895QTAPE, MOULDING, NO.1
9009900289
main90099-00289
90119A0388
main90119-A0388
90167A0016
main90167-A0016
9167380616
main91673-80616
21 parts on this diagram · 4 diagrams in section