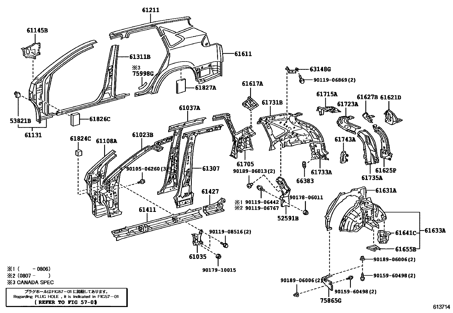
SIDE MEMBER

52591BSEAL, REAR BUMPER SIDE, RH
sub52591-48060
53821BBRACKET, FRONT FENDER, REAR RH
5701
61023BPILLAR SUB-ASSY, FRONT BODY, INNER RH
61035BRACKET SUB-ASSY, INSTRUMENT PANEL TO COWL SIDE, RH
61037AREINFORCEMENT SUB-ASSY, CENTER BODY PILLAR, RH
61108AREINFORCE SUB-ASSY, FRONT BODY PILLAR, LOWER RH
61131PILLAR, FRONT BODY, UPPER OUTER RH
CANADA SPEC
61145BGUSSET, FRONT BODY PILLAR, LOWER RH
61211RAIL, ROOF SIDE, OUTER RH
CANADA SPEC
61307PILLAR SUB-ASSY, CENTER BODY, INNER RH
61311BPILLAR, CENTER BODY, OUTER RH
CANADA SPEC
61411PANEL, ROCKER, OUTER RH
61427REINFORCEMENT, ROCKER PANEL, NO.5 RH
61617APANEL, QUARTER INNER, REAR RH
61621DTROUGH, BACK DOOR OPENING, RH
61625PPANEL, REAR BODY REAR SIDE CORNER, RH
61627BEXTENSION, QUARTER PANEL, UPPER REAR RH
61631APANEL, QUARTER WHEEL HOUSE, OUTER RH
61633APANEL, QUARTER WHEEL HOUSE, INNER RH
61641CGUSSET, QUARTER WHEEL HOUSE, FRONT RH
61655BGUSSET, QUARTER WHEEL HOUSE, INNER RH
61705PANEL SUB-ASSY, ROOF SIDE, INNER RH
61715AEXTENSION, ROOF SIDE, INNER UPPER RH
61723AREINFORCEMENT, QUARTER WINDOW OPENING, RH NO.1
61731BPANEL, ROOF SIDE, INNER RH
61733APANEL, ROOF SIDE, INNER FRONT RH
61735APANEL, ROOF SIDE, INNER REAR RH
61743AREINFORCEMENT, BACK DOOR OPENING SIDE, RH
61824CPAD, NOISE SHUTTER, NO.1
61826CPAD, NOISE SHUTTER, NO.3
61827APLATE, NOISE CONTROL, NO.4
63148GREINFORCEMENT, ROOF PANEL SIDE
66383BRACKET, ROPE HOOK BAR, NO.1 RH
75865GPROTECTOR, ROCKER PANEL MOULDING, NO.5
75998GSTRIPE, QUARTER, LOWER RH
9010506260
main90105-06260
9011906442
main90119-06442
9011906767
main90119-06767
9011906869
main90119-06869
9011908516
main90119-08516
9015960498
main90159-60498
9017806011
main90178-06011
9017910015
main90179-10015
9018906006
main90189-06006
9018906013
main90189-06013
47 parts on this diagram · 2 diagrams in section