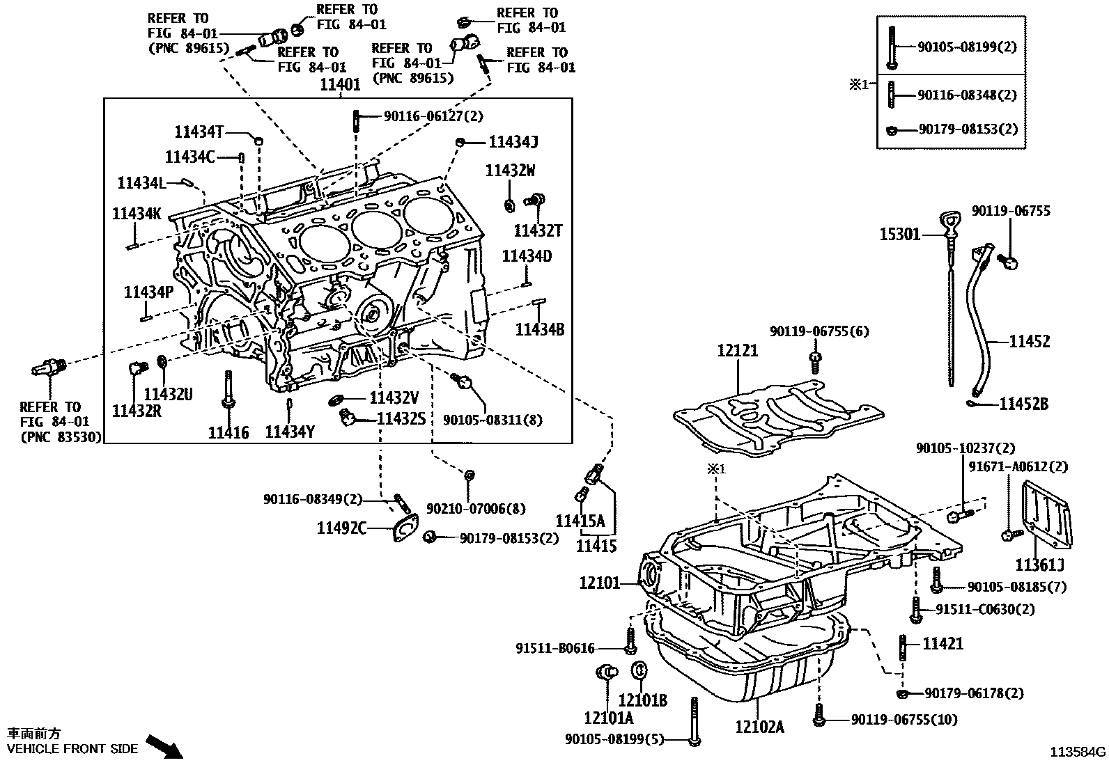
CYLINDER BLOCK

11361JCOVER, FLYWHEEL HOUSING UNDER
11401BLOCK SUB-ASSY, CYLINDER
11415COCK SUB-ASSY, WATER DRAIN(FOR CYLINDER BLOCK)
11415APLUG, WATER DRAIN COCK(FOR CYLINDER BLOCK)
11416BOLT(FOR CRANKSHAFT BEARING CAP SET)
11421BOLT, STUD(FOR OIL PAN)
11432RPLUG, W/HEAD STRAIGHT SCREW, NO.1(FOR CYLINDER BLOCK)
11432SPLUG, W/HEAD STRAIGHT SCREW, NO.2(FOR CYLINDER BLOCK)
11432TPLUG, W/HEAD STRAIGHT SCREW, NO.3(FOR CYLINDER BLOCK)
11432UGASKET, STRAIGHT SCREW PLUG NO.1(FOR CYLINDER BLOCK)
11432VGASKET, STRAIGHT SCREW PLUG NO.2(FOR CYLINDER BLOCK)
11432WGASKET, STRAIGHT SCREW PLUG NO.3(FOR CYLINDER BLOCK)
11434BPIN, STRAIGHT(FOR CLUTCH HOUSING SET)
L=22,OD=10
11434CPIN, STRAIGHT (FOR CYLINDER HEAD SET)
L=12,OD=4.0
11434DPIN, STRAIGHT(FOR ENGINE REAR OIL SEAL)
L=12,OD=4.0
11434JPIN, RING (FOR CYLINDER HEAD SET)
11434KPIN, STRAIGHT(FOR WATER PUMP)
11434LPIN, STRAIGHT(FOR ENGINE MOUNTING)
11434PPIN, STRAIGHT(FOR OIL PUMP SET)
L=12,OD=4.0
11434TPIN, RING(FOR TIMING BELT IDLER BRACKET SET)
11434YPIN, STRAIGHT(FOR OIL PAN)
11452GUIDE, OIL LEVEL GAGE
11452BRING, O(FOR OIL LEVEL GAGE GUIDE)
11492CPLATE, WATER SEAL
12101PAN SUB-ASSY, OIL
12101APLUG(FOR OIL PAN DRAIN)
12101BGASKET(FOR OIL PAN DRAIN PLUG)
12102APAN SUB-ASSY, OIL, NO.2
12121PLATE, OIL PAN BAFFLE, NO.1
15301GAGE SUB-ASSY, OIL LEVEL
8401
9010508185
main90105-08185
9010508199
main90105-08199
9010508311
main90105-08311
9010510237
main90105-10237
9011606127
main90116-06127
9011608348
main90116-08348
9011608349
main90116-08349
9011906755
main90119-06755
9017906178
main90179-06178
9017908153
main90179-08153
9021007006
main90210-07006
91511B0616
main91511-B0616
91511C0630
main91511-C0630
91671A0612
main91671-A0612
45 parts on this diagram · 1 diagram in section