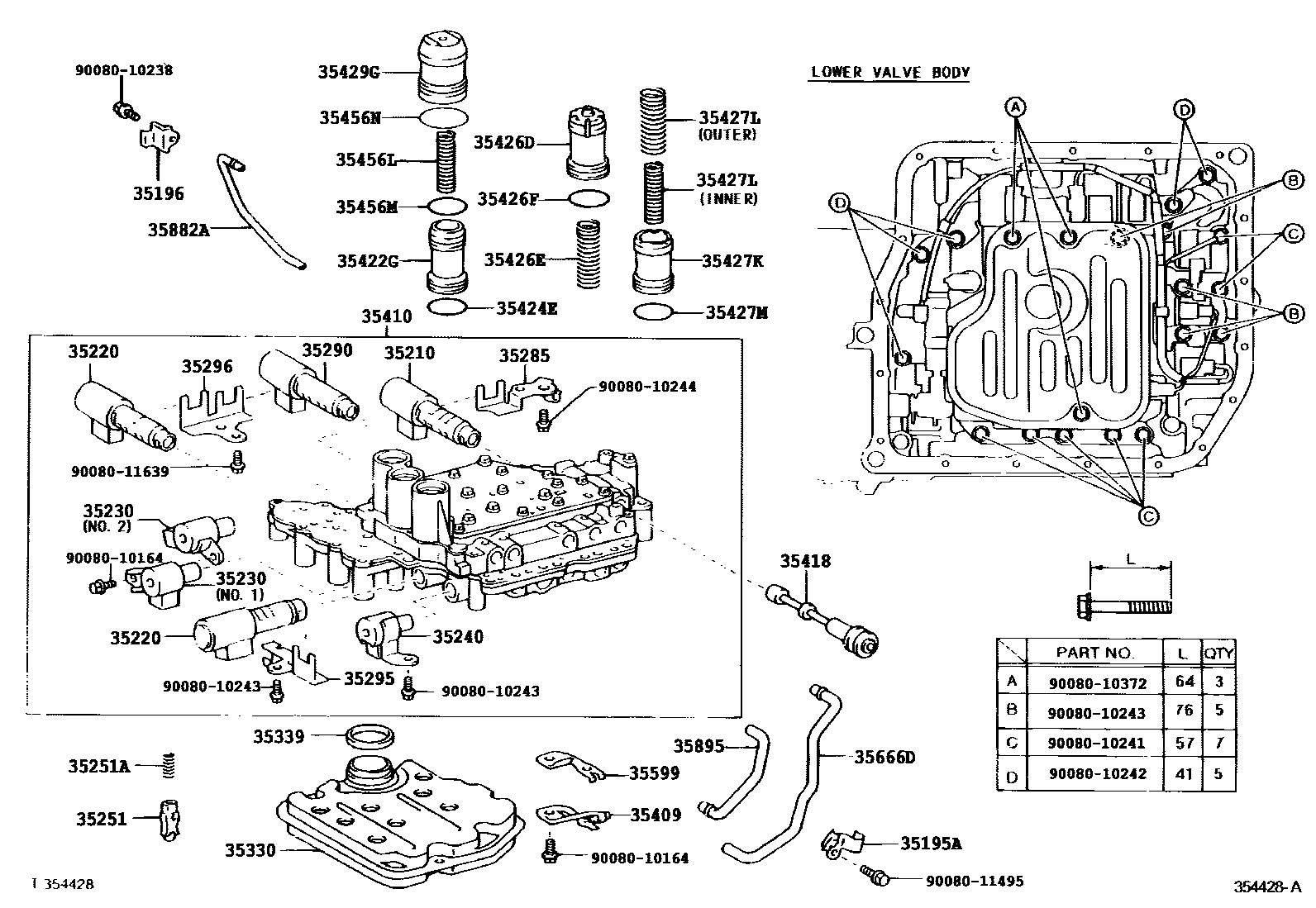
VALVE BODY & OIL STRAINER (ATM)

35195ACLAMP, TRANSAXLE APPLY TUBE, NO.1
(L)
(J)
35196CLAMP, TRANSAXLE APPLY TUBE, NO.2
(L)
(J)
35210SOLENOID ASSY, CLUTCH CONTROL, NO.1
35220SOLENOID ASSY, CLUTCH CONTROL, NO.2
35230SOLENOID ASSY, TRANSMISSION 3WAY, NO.2
NO.1
NO.2
35240SOLENOID ASSY, AUTOMATIC TRANSMISSION 3WAY
35251BODY, CHECK BALL
35251ASPRING, COMPRESSION (FOR CHECK BALL BODY)
35285PLATE, SOLENOID LOCK
(L)
(J)
35290SOLENOID ASSY, LINE PRESSURE CONTROL
35295PLATE, SOLENOID LOCK, NO.2
(L)
(J)
35296PLATE, SOLENOID LOCK, NO.3
(L)
(J)
35330STRAINER ASSY, VALVE BODY OIL
35339GASKET, OIL STRAINER
35409SPRING SUB-ASSY, MANUAL DETENT
35418VALVE, MANUAL
35422GPISTON, REVERSE CLUTCH ACCUMULATOR
35424ERING, O (FOR C-1 ACCUMULATOR PISTON)
35426DPISTON, C-3 ACCUMULATOR
(J)
35426ESPRING, COMPRESSION (FOR C-3 ACCUMULATOR PISTON)
35426FRING, O (FOR C-3 ACCUMULATOR PISTON)
35427KPISTON, B-3 ACCUMULATOR
(J)
35427LSPRING, COMPRESSION (FOR B-3 ACCUMULATOR PISTON)
INNER
OUTER
35427MRING, O (FOR B-3 ACCUMULATOR PISTON)
35429GSLEEVE, REVERSE CLUTCH ACCUMULATOR
35456LSPRING, COMPRESSION (FOR C-2 CONTROL VALVE)
35456MRING, O (FOR C-2 CONTROL)
35456NRING, O (FOR C-2 CONTROL)
35599COVER, MANUAL DETENT SPRING
35666DTUBE, BRAKE APPLY
35882ATUBE, DIFFERENTIAL GEAR LUBE APPLY
35895TUBE, FRONT CLUTCH APPLY
9008010164
main90080-10164
9008010238
main90080-10238
9008010241
main90080-10241
9008010242
main90080-10242
9008010243
main90080-10243
9008010244
main90080-10244
9008010372
main90080-10372
9008011495
main90080-11495
9008011639
main90080-11639
42 parts on this diagram · 2 diagrams in section