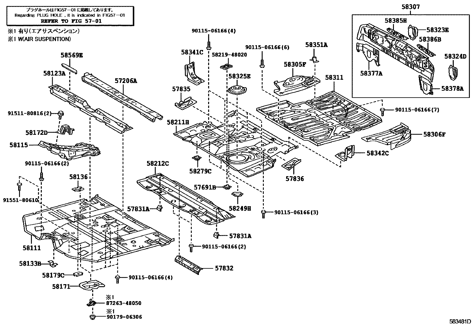
FLOOR PAN & LOWER BACK PANEL

5701
57206AMEMBER SUB-ASSY, FRONT FLOOR CROSS, NO.2
57691BBRACKET, FUEL TANK MOUNTING, FRONT CENTER
57831AREINFORCEMENT, REAR NO.1 SEAT LEG, FRONT NO.1
57832REINFORCEMENT, REAR NO.1 SEAT LEG, FRONT NO.2
57835REINFORCEMENT, REAR NO.1 SEAT LEG, REAR NO.1
57836REINFORCEMENT, REAR NO.1 SEAT LEG, REAR NO.2
58111PAN, FRONT FLOOR
58115REINFORCEMENT, FRONT FLOOR PANEL, FRONT
58133BBRACKET, FRONT FLOOR HEAT INSULATOR, NO.3
58136COVER, FRONT FLOOR HOLE
58171REINFORCEMENT, PARKING BRAKE BASE
58172DBRACKET, COMPUTER MOUNTING, NO.4
58179CBRACKET, CLAMP FLOOR
58212CPAN, CENTER FLOOR, FRONT
58305FPANEL SUB-ASSY, REAR FLOOR SIDE, RH
58306FPANEL SUB-ASSY, REAR FLOOR SIDE, LH
58307PANEL SUB-ASSY, BODY LOWER BACK
58311PAN, REAR FLOOR
sub58311-48916
sub58311-48917
sub58311-48919
sub58311-48918
sub58311-48921
sub58311-48920
58323EREINFORCEMENT, REAR BUMPER ARM SUPPORT, RH
58324DREINFORCEMENT, REAR BUMPER ARM SUPPORT, LH
58325ECOVER, REAR FLOOR SERVICE HOLE
58341CBRACKET, REAR ABSORBER MOUNTING, NO.1 RH
58342CBRACKET, REAR ABSORBER MOUNTING, NO.1 LH
58351ABRACKET, SPARE WHEEL CARRIER
58377APANEL, BODY LOWER BACK, RH
58378APANEL, BODY LOWER BACK, LH
58385HBRACKET, REAR BUMPER COVER, NO.1
58386BBRACKET, REAR BUMPER COVER, NO.2
58569ECOVER, FRONT FLOOR CAUTION PLATE
5821948020PROTECTOR, FRONT FLOOR
main58219-48020
8726348050BRACKET, HEATER WATER PIPE, NO.1
main87263-48050
9011506166
main90115-06166
9017906306
main90179-06306
9151180816
main91511-80816
9155180610
main91551-80610
40 parts on this diagram · 5 diagrams in section