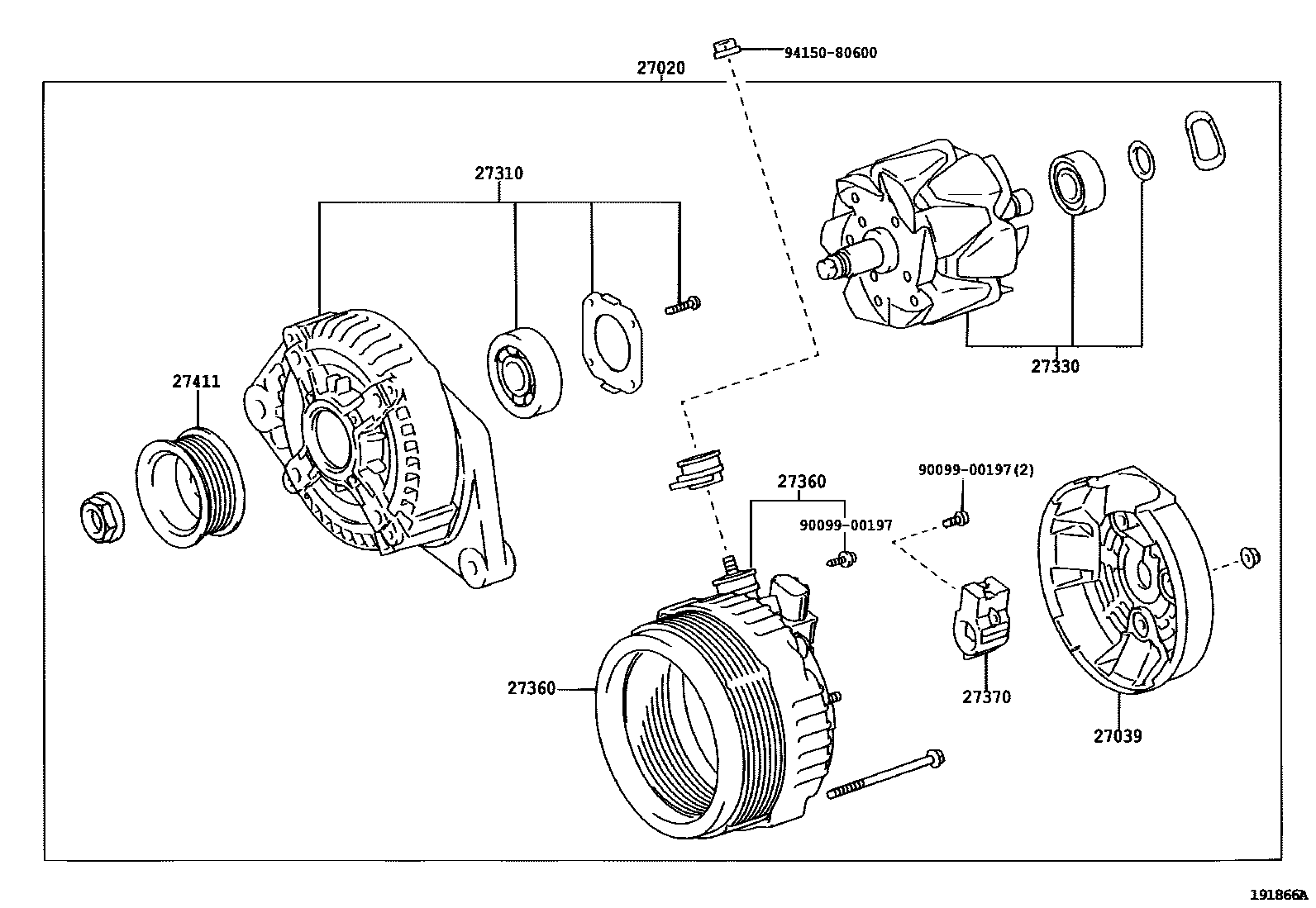
ALTERNATOR

27020ALTERNATOR ASSY
27039COVER, ALTERNATOR REAR END
TOWING PACKGE-W(3500LBS)
27310FRAME ASSY, DRIVE END, ALTERNATOR
TOWING PACKGE-W(3500LBS)
27330ROTOR ASSY, ALTERNATOR
TOWING PACKAGE-3500LBS
27370HOLDER ASSY, ALTERNATOR BRUSH
TOWING PACKGE-W(3500LBS)
27411PULLEY, ALTERNATOR
9009900197
main90099-00197
9415080600
main94150-80600
9 parts on this diagram · 3 diagrams in section