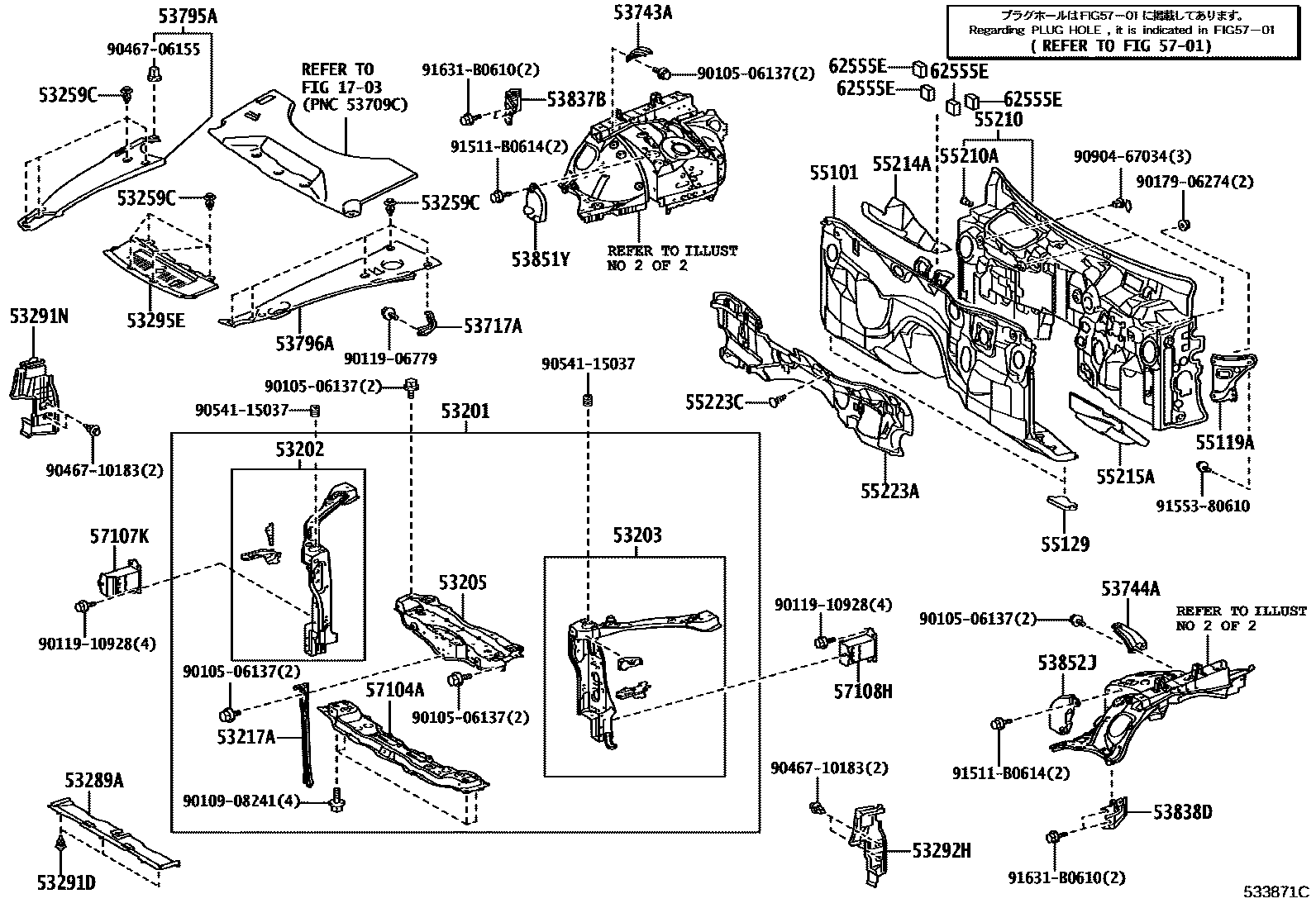
FRONT FENDER APRON & DASH PANEL

53201SUPPORT SUB-ASSY, RADIATOR
53202SUPPORT SUB-ASSY, RADIATOR, RH
53203SUPPORT SUB-ASSY, RADIATOR, LH
53205SUPPORT SUB-ASSY, RADIATOR, UPPER
53217ABRACE, HOOD LOCK SUPPORT
53259CCLIP, RADIATOR SUPPORT TO FRAME SEAL
53289ACOVER, RADIATOR SUPPORT OPENING
53291DCLIP, RADIATOR SUPPORT TO FRAME
53291NSEAL, RADIATOR SUPPORT TO FRAME, RH
53292HSEAL, RADIATOR SUPPORT TO FRAME, LH
53295ESEAL, COOL AIR INTAKE DUCT
53717APLATE, FENDER APRON
53743AREINFORCEMENT, FRONT FENDER APRON, FRONT RH
53744AREINFORCEMENT, FRONT FENDER APRON, FRONT LH
53795ACOVER, ENGINE ROOM, SIDE
53796ACOVER, ENGINE ROOM SIDE, LH
53837BBRACKET, FRONT SIDE PANEL, NO.2
53838DBRACKET, FRONT SIDE PANEL, NO.2 LH
53851YPAD, FRONT WHEEL OPENING EXTENSION, NO.1
53852JPAD, FRONT WHEEL OPENING EXTENSION, LH
55101PANEL SUB-ASSY, DASH
55119AEXTENSION, DASH PANEL, LH
55210ACLIP
55214APAD, DASH PANEL INSULATOR, NO.2
55223CCLIP
5701
57104AMEMBER SUB-ASSY, FRONT CROSS
57107KREINFORCE SUB-ASSY, FRONT BUMPER MOUNTING, RH
57108HREINFORCE SUB-ASSY, FRONT BUMPER MOUNTING, LH
62555EPAD, PILLAR, NO.5
9010506137
main90105-06137
9010908241
main90109-08241
9011906779
main90119-06779
9011910928
main90119-10928
9017906274
main90179-06274
9046706155
main90467-06155
9046710183
main90467-10183
9054115037
main90541-15037
9090467034
main90904-67034
91511B0614
main91511-B0614
9155380610
main91553-80610
91631B0610
main91631-B0610
46 parts on this diagram · 2 diagrams in section