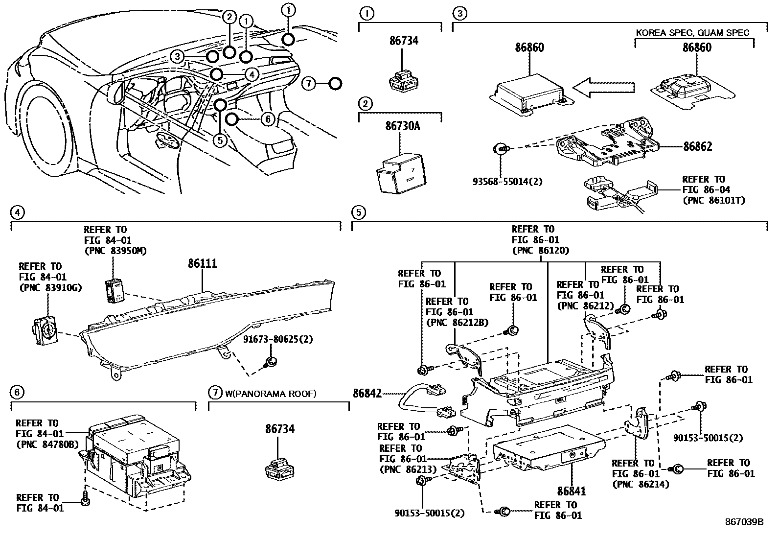
NAVIGATION & FRONT MONITOR DISPLAY

8401
8601
8604
86111MULTI-DISPLAY
DENSO
DENSO
DENSO
DENSO TEN
DENSO,"VERSION L"*(L)&30TH ANNIVERSARIES
86730AMICROPHONE ASSY, TELEPHONE
86734MICROPHONE, ACTIVE NOISE CONTROL
86842WIRE, NAVIGATION, NO.1
86860ANTENNA ASSY, NAVIGATION
KOREA SPEC
86862BRACKET, NAVIGATION ANTENNA
9015350015
main90153-50015
9167380625
main91673-80625
9356855014
main93568-55014
13 parts on this diagram · 3 diagrams in section