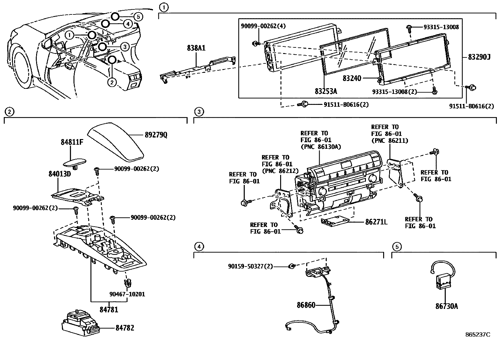
NAVIGATION & FRONT MONITOR DISPLAY

838A1BRACKET, COMBINATION METER
84013DPANEL SUB-ASSY, INTEGRATION
84781SWITCH, REMOTE OPERATION
sub84781-50071
KOREA SPEC
EMV & NAVIGATION SYSTEM-EMV WITH BLUETOOTH (WITHOUT NAVIGATION)
sub84781-50061
8601
86271DISC, DISC PLAYER
86271LHARD DISC
MEXICO SPEC&AUDIO(OVERSEAS MARKET)-DVD,RBDS,19SPEAKER,MARK LEVINSON&EMV & NAVIGATION SYSTEM-HDD NAVIGATION(WITH BLUETOOTH)EXP&MAYDAY SYSTEM-WITHOUT BRAZIL TRACKING
sub86271-50A51
MEXICO SPEC&AUDIO(OVERSEAS MARKET)-DVD,RBDS,19SPEAKER,MARK LEVINSON&EMV & NAVIGATION SYSTEM-HDD NAVIGATION(WITH BLUETOOTH)EXP&MAYDAY SYSTEM-WITHOUT BRAZIL TRACKING
sub86271-50A52
KOREA SPEC&AUDIO(OVERSEAS MARKET)-DVD,19SPEAKER,MARK LEVINSON&MAYDAY SYSTEM-WITHOUT BRAZIL TRACKING
USA DEPENDANCY SPEC&AUDIO(OVERSEAS MARKET)-DVD,19SPEAKER,MARK LEVINSON&EMV & NAVIGATION SYSTEM-EMV WITH BLUETOOTH (WITHOUT NAVIGATION)
CANADA SPEC&EMV & NAVIGATION SYSTEM-HDD NAVIGATION(WITH BLUETOOTH)EXP&MAYDAY SYSTEM-WITHOUT BRAZIL TRACKING
sub86271-60212
CANADA SPEC&EMV & NAVIGATION SYSTEM-HDD NAVIGATION(WITH BLUETOOTH)EXP&MAYDAY SYSTEM-WITHOUT BRAZIL TRACKING
sub86271-60213
86730AMICROPHONE ASSY, TELEPHONE
9009900262
main90099-00262
9015950327
main90159-50327
9046710201
main90467-10201
91511B0616
main91511-B0616
9331513008
main93315-13008
19 parts on this diagram · 3 diagrams in section