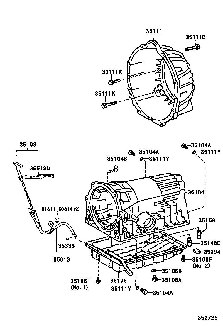
TRANSMISSION CASE & OIL PAN (ATM)

35013TUBE SUB-ASSY, TRANSMISSION OIL FILLER
35103GAGE SUB-ASSY, TRANSMISSION OIL LEVEL
35104CASE SUB-ASSY, AUTOMATIC TRANSMISSION
35104APLUG, AUTOMATIC TRANSMISSION CASE
NO.1
35104BPLUG, BREATHER, NO.1 (ATM)
35106PAN SUB-ASSY, AUTOMATIC TRANSMISSION OIL
35106APLUG SUB-ASSY, DRAIN (ATM)
NO.2
35111BBOLT (FOR TRANSMISSION HOUSING & ENGINE SETTING)
*10-1.25PX43-30,NO.1
*10-1.25PX45-30,NO.1
*12-1.25PX50-30,NO.2
35111KBOLT (FOR TRANSMISSION HOUSING & CASE SETTING)
*10-1.5PX35-30,NO.1
*10-1.50PX35-29.3,NO.1
*12-1.25PX80-30
*12-1.75PX45-30
*12-1.75PX38-30,NO.2
35111YRING, O (FOR AUTOMATIC TRANSMISSION CASE)
35148EGASKET, BRAKE DRUM, NO.2
35336RING, O (FOR TRANSMISSION OIL FILLER TUBE)
35394MAGNET, OIL CLEANER (FOR TRANSMISSION)
35519DLABEL, AUTOMATIC TRANSMISSION INFORMATION
9161160814
main91611-60814
19 parts on this diagram · 2 diagrams in section