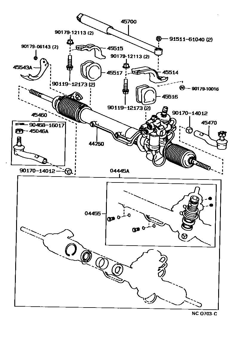
FRONT STEERING GEAR & LINK

44250GEAR ASSY, POWER STEERING(FOR RACK & PINION)
45046ANUT, CASTLE(FOR TIE ROD END)
45460ROD ASSY, TIE, RH
45470ROD ASSY, TIE, LH
45514BRACKET, STEERING RACK HOUSING, NO.1
45515BRACKET, STEERING RACK HOUSING, NO.2
45517GROMMET, STEERING RACK HOUSING, NO.2
45543APROTECTOR, STEERING RACK BOOT, RH
9011912173
main90119-12173
9017014012
main90170-14012
9017906143
main90179-06143
9017910016
main90179-10016
9017912113
main90179-12113
9046816017
main90468-16017
9151161040
main91511-61040
19 parts on this diagram · 2 diagrams in section