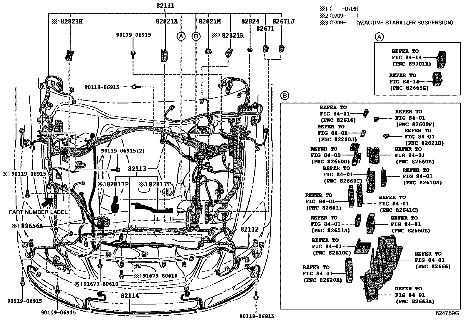
WIRING & CLAMP

82111WIRE, ENGINE ROOM MAIN
WITH(HEAD LAMP CLEANER)
WITH(HEAD LAMP CLEANER)
WITH(HEAD LAMP CLEANER)
STABILIZER-WITH(ACTIVE STABILIZER SUSPENSION)
STABILIZER-WITH(ACTIVE STABILIZER SUSPENSION)
STABILIZER-WITH(ACTIVE STABILIZER SUSPENSION)&WITH(HEAD LAMP CLEANER)
STABILIZER-WITH(ACTIVE STABILIZER SUSPENSION)&WITH(HEAD LAMP CLEANER)
STABILIZER-WITH(ACTIVE STABILIZER SUSPENSION)&WITH(HEAD LAMP CLEANER)
sub82111-30K75
STABILIZER-WITH(ACTIVE STABILIZER SUSPENSION)&WITH(HEAD LAMP CLEANER)
CANADA SPEC&CLEARANCE & BACK SONAR-WITHOUT
CANADA SPEC&CLEARANCE & BACK SONAR-WITHOUT
CANADA SPEC&STABILIZER-WITH(ACTIVE STABILIZER SUSPENSION)&CLEARANCE & BACK SONAR-WITHOUT
CANADA SPEC&STABILIZER-WITH(ACTIVE STABILIZER SUSPENSION)&CLEARANCE & BACK SONAR-WITHOUT
sub82111-30V83
KOREA SPEC
KOREA SPEC&CLEARANCE & BACK SONAR-WITH
STABILIZER-WITH(ACTIVE STABILIZER SUSPENSION)
STABILIZER-WITH(ACTIVE STABILIZER SUSPENSION)
STABILIZER-WITH(ACTIVE STABILIZER SUSPENSION)
82112WIRE, ENGINE ROOM, NO.2
82114WIRE, ENGINE ROOM, NO.4
CLEARANCE & BACK SONAR-WITHOUT
82671BLOCK, JUNCTION
82671JBLOCK, JUNCTION, NO.2
82817PPROTECTOR, WIRING HARNESS, NO.14
82817TPROTECTOR, WIRING HARNESS, NO.15
82821ACOVER, CONNECTOR
82821HCOVER, CONNECTOR
82821MCOVER, CONNECTOR
82821RCOVER, CONNECTOR
82824CONNECTOR, WIRING HARNESS
8401
8414
89656AWIRE, POWER STEERING EARTH
9011906915
main90119-06915
9167380610
main91673-80610
18 parts on this diagram · 11 diagrams in section