E
EPC Data

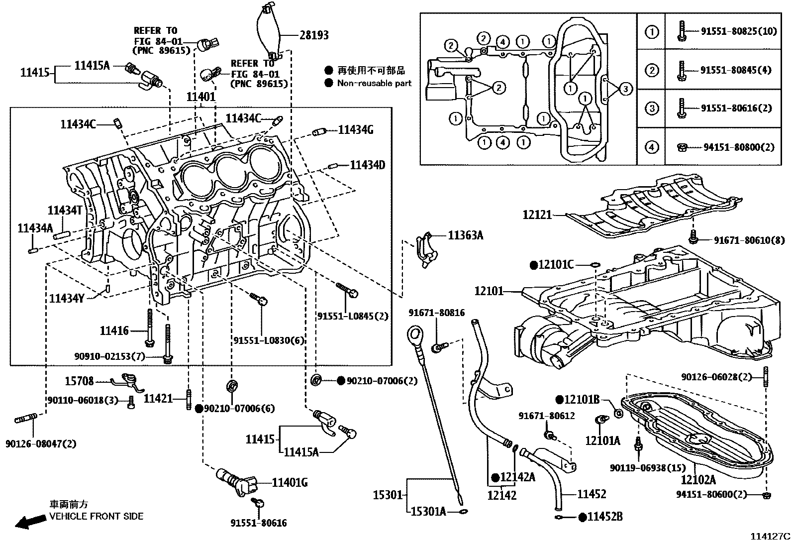
CYLINDER BLOCK

Parts diagram
11363ACOVER, FLYWHEEL HOUSING SIDE
main11363-31010i200602-200709
11401BLOCK SUB-ASSY, CYLINDER
main11401-39775i200602-200709
11401GSENSOR, CRANK POSITION
main90919-05057i200602-200709
11415COCK SUB-ASSY, WATER DRAIN(FOR CYLINDER BLOCK)
main90910-09129i200602-200709
11415APLUG, WATER DRAIN COCK(FOR CYLINDER BLOCK)
main90910-09087i200602-200709
11416BOLT(FOR CRANKSHAFT BEARING CAP SET)
main90910-02154i200602-200709
11421BOLT, STUD(FOR OIL PAN)
main90126-08051i200602-201005
main90126-08052i201005
11434APIN, STRAIGHT(FOR TIMING GEAR COVER SET)
main90250-04097i200602-200709
L=12,OD=4.0
11434CPIN, STRAIGHT (FOR CYLINDER HEAD SET)
main90250-08120i200602-200709
L=18,OD=8
11434DPIN, STRAIGHT(FOR ENGINE REAR OIL SEAL)
main90250-04097i200602-200709
L=12,OD=4.0
11434GPIN, STRAIGHT(FOR END PLATE)
main90250-10113i200602-200709
11434TPIN, RING(FOR TIMING BELT IDLER BRACKET SET)
main90250-10030i200602-200709
11434YPIN, STRAIGHT(FOR OIL PAN)
main90250-04097i200602-200709
11452GUIDE, OIL LEVEL GAGE
main11452-31040i200602-200709
11452BRING, O(FOR OIL LEVEL GAGE GUIDE)
main90301-12018i200602-200709
12101PAN SUB-ASSY, OIL
main12101-31101i200602-200709
12101APLUG(FOR OIL PAN DRAIN)
main90341-12012i200602-200709
12101BGASKET(FOR OIL PAN DRAIN PLUG)
main90430-12031i200602-200709
12101CRING, O(FOR OIL PAN)
main12151-31010i200602-200709
12102APAN SUB-ASSY, OIL, NO.2
main12102-31030i200602-200709
12121PLATE, OIL PAN BAFFLE, NO.1
main12121-31080i200602-200709
12142GUIDE, OIL LEVEL GAGE, NO.2
main12142-31010i200602-200709
12142ARING, O(FOR OIL LEVEL GAGE GUIDE, NO.2)
main96721-19010i200602-200709
15301GAGE SUB-ASSY, OIL LEVEL
main15301-31080i200602-200709
15301ARING, O(FOR OIL LEVEL GAGE)
main96741-19005i200602-200709
15708NOZZLE SUB-ASSY, OIL, NO.1
main15708-31030i201003
main15708-31040i200602-201003
28193INSULATOR, STARTER HOLE
main28193-31010i200602-200709
8401
9011006018
9011906938
9012606028
9012608047
9021007006
9091002153
9155180616
9155180825
9155180845
91551L0830
91551L0845
9167180610
9167180612
9167180816
9415180600
9415180800

44 parts on this diagram · 1 diagram in section

CYLINDER BLOCK — Toyota Parts Diagram with OEM Numbers & Prices | EPC Data