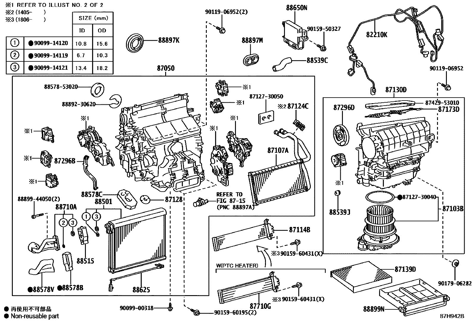
HEATING & AIR CONDITIONING - COOLER UNIT

82210KHARNESS ASSY, AIR CONDITIONER
VERSION L
87050RADIATOR ASSY, AIR CONDITIONER
sub87050-30291
sub87050-30292
sub87050-30293
sub87050-30411
sub87050-30532
sub87050-30533
sub87050-30631
VERSION L
VERSION L
sub87050-30761
87114BCOVER, HEATER
87124CCLAMP, HEATER
87128GROMMET, HEATER
87139DELEMENT, AIR REFINER
8715
87173DPROTECTOR HEATER
87296BLEVER, HEATER AIR DAMPER CONTROL
87296DLEVER, HEATER AIR DAMPER CONTROL, NO.2
87710GQUICK HEATER ASSY
COLD AREA SPEC
88501EVAPORATOR SUB-ASSY, COOLER, NO.1
88515VALVE, COOLER EXPANSION
88539CHOSE, COOLER UNIT DRAIN, NO.2
88539JHOSE, DRAIN COOLER
88578BPACKING, COOLING UNIT, NO.1
88578VPACKING, COOLING UNIT, NO.3
88625THERMISTOR, COOLER, NO.1
88650NAMPLIFIER ASSY, AIR CONDITIONER
COLD AREA SPEC
sub88650-30M31
VERSION L&COLD AREA SPEC
VERSION L
COLD AREA SPEC
sub88650-30S51
VERSION L&COLD AREA SPEC
VERSION L
COLD AREA SPEC
VERSION L&COLD AREA SPEC
VERSION L
COLD AREA SPEC
VERSION L&COLD AREA SPEC
VERSION L
COLD AREA SPEC
VERSION L&COLD AREA SPEC
VERSION L
COLD AREA SPEC
VERSION L&COLD AREA SPEC
VERSION L
COLD AREA SPEC
VERSION L&COLD AREA SPEC
VERSION L
sub88650-3AU20
COLD AREA SPEC
sub88650-3AS61
VERSION L&COLD AREA SPEC
VERSION L
COLD AREA SPEC
VERSION L&COLD AREA SPEC
VERSION L
88710ATUBE ASSY, AIR CONDITIONER
88897KGROMMET, (FOR COOLER PIPE)
88897MGROMMET (FOR HEATER PIPE)
88899NPLATE, COVER
8712730040PACKING, HEATER AIR DAMPER
main87127-30040
8712730050PACKING, HEATER AIR DAMPER
main87127-30050
8742953010PIPE, COMBUSTION HEATER OUTLET
main87429-53010
8857853020PAKING, COOLER AIR DUCT
main88578-53020
8889230620BRACKET, COOLER EVAPORATOR MOUNTING
main88892-30620
8889944050COVER, EVAPORATOR
main88899-44050
9009900318
main90099-00318
9009914119
main90099-14119
9009914120
main90099-14120
9009914121
main90099-14121
9011906952
main90119-06952
9015950327
main90159-50327
9015960195
main90159-60195
9015960431
main90159-60431
9017906282
main90179-06282
42 parts on this diagram · 2 diagrams in section