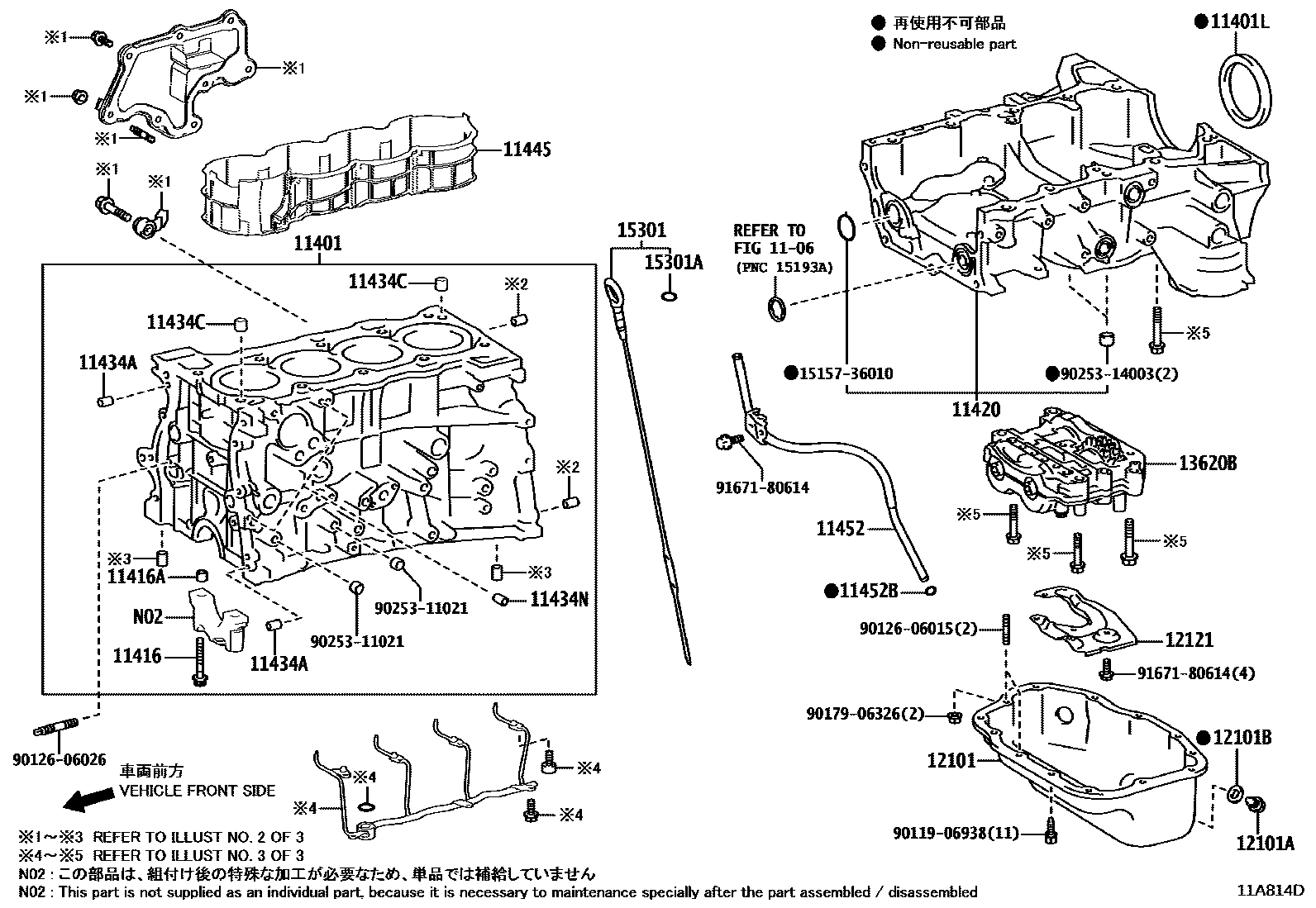
CYLINDER BLOCK

1106
11401BLOCK SUB-ASSY, CYLINDER
sub11401-39776
sub11401-39778
sub11401-80810
sub11401-80817
sub11401-80842
sub11401-80863
11401LSEAL, ENGINE REAR OIL
11416BOLT(FOR CRANKSHAFT BEARING CAP SET)
11416APIN, RING(FOR CRANKSHAFT BEARING CAP SET)
11420CRANKCASE ASSY, STIFFENING
11434APIN, STRAIGHT(FOR TIMING GEAR COVER SET)
L=12,OD=4.0
L=14,OD=6
11434CPIN, STRAIGHT (FOR CYLINDER HEAD SET)
L=18,OD=8
L=14,OD=15
11434NPIN, STRAIGHT(FOR WATER INLET HOUSING)
11445SPACER, CYLINDER BLOCK WATER JACKET
11452GUIDE, OIL LEVEL GAGE
11452BRING, O(FOR OIL LEVEL GAGE GUIDE)
12101APLUG(FOR OIL PAN DRAIN)
12101BGASKET(FOR OIL PAN DRAIN PLUG)
12121PLATE, OIL PAN BAFFLE, NO.1
13620BBALANCER ASSY, ENGINE
15301GAGE SUB-ASSY, OIL LEVEL
15301ARING, O(FOR OIL LEVEL GAGE)
1515736010COVER, OIL STRAINER
main15157-36010
9011906938
main90119-06938
9012606015
main90126-06015
9012606026
main90126-06026
9017906326
main90179-06326
9025311021
main90253-11021
9025314003
main90253-14003
9167180614
main91671-80614
27 parts on this diagram · 10 diagrams in section