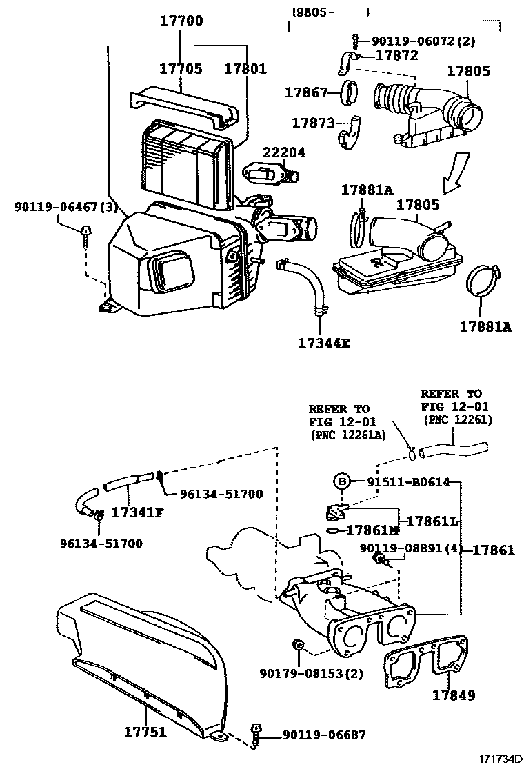
AIR CLEANER

1201
17341FHOSE, AIR, NO.1
17751INLET, AIR CLEANER, NO.1
17801ELEMENT SUB-ASSY, AIR CLEANER FILTER
17849GASKET, INTAKE AIR CONNECTOR
17861LELBOW(FOR INTAKE AIR CONNECTOR)
17861MRING, O(FOR INTAKE AIR CONNECTOR)
17867PATCH, INTAKE AIR CONNECTOR
17872BRACKET, INTAKE AIR CONNECTOR
17873BRACKET, INTAKE AIR CONNECTOR, NO.2
17881ACLAMP(FOR AIR CLEANER HOSE, NO.1)
22204METER SUB-ASSY, INTAKE AIR FLOW
9011906072
main90119-06072
9011906467
main90119-06467
9011906687
main90119-06687
9011908891
main90119-08891
9017908153
main90179-08153
91511B0614
main91511-B0614
9613451700
main96134-51700
24 parts on this diagram · 4 diagrams in section