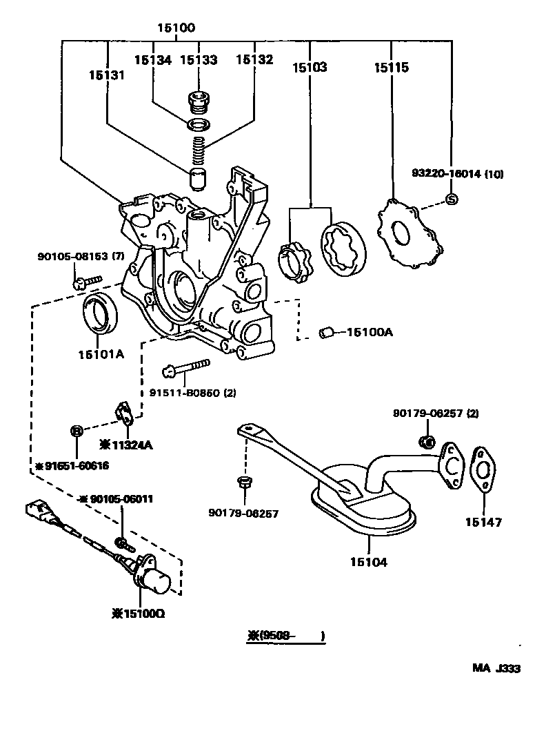
ENGINE OIL PUMP

11324APLATE, TIMING BELT
15100APIN, RING(FOR OIL PUMP SET)
15100QSENSOR, CRANK POSITION
15101ASEAL(FOR CRANKSHAFT)
15115COVER, OIL PUMP
15131VALVE, OIL PUMP RELIEF
15132SPRING, OIL PUMP RELIEF VALVE
15133PLUG, OIL PUMP RELIEF VALVE
15134GASKET, OIL PUMP RELIEF VALVE
15147GASKET, OIL STRAINER
9010506011
main90105-06011
9010508153
main90105-08153
9017906257
main90179-06257
91511B0850
main91511-B0850
9165160616
main91651-60616
9322016014
main93220-16014
19 parts on this diagram · 1 diagram in section