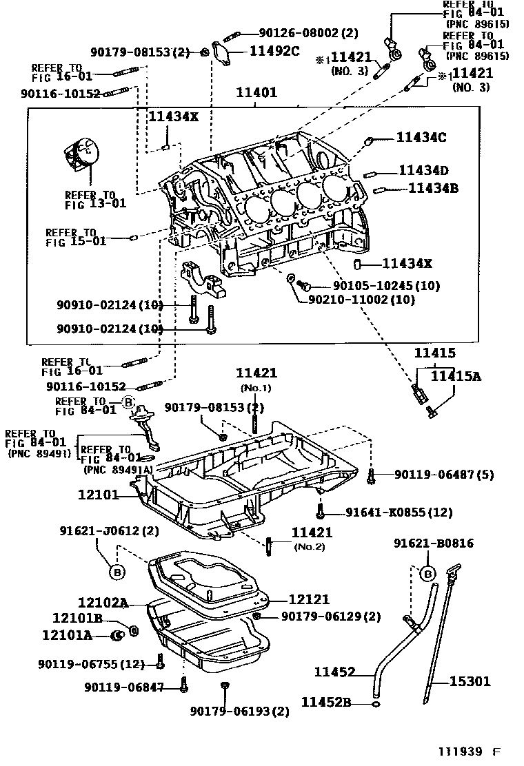
CYLINDER BLOCK

11401BLOCK SUB-ASSY, CYLINDER
11415COCK SUB-ASSY, WATER DRAIN(FOR CYLINDER BLOCK)
11415APLUG, WATER DRAIN COCK(FOR CYLINDER BLOCK)
11421BOLT, STUD(FOR OIL PAN)
NO.1
NO.2
NO.3
11434BPIN, STRAIGHT(FOR CLUTCH HOUSING SET)
L=22,OD=10
11434CPIN, STRAIGHT (FOR CYLINDER HEAD SET)
L=20,OD=16
11434DPIN, STRAIGHT(FOR ENGINE REAR OIL SEAL)
L=14,OD=6
11434XPIN, RING(FOR CHAIN CACE)
11452GUIDE, OIL LEVEL GAGE
11452BRING, O(FOR OIL LEVEL GAGE GUIDE)
12101PAN SUB-ASSY, OIL
12101APLUG(FOR OIL PAN DRAIN)
12101BGASKET(FOR OIL PAN DRAIN PLUG)
12102APAN SUB-ASSY, OIL, NO.2
12121PLATE, OIL PAN BAFFLE, NO.1
1301
1501
15301GAGE SUB-ASSY, OIL LEVEL
1601
8401
9010510245
main90105-10245
9011610152
main90116-10152
9011906487
main90119-06487
9011906755
main90119-06755
9011906847
main90119-06847
9012608002
main90126-08002
9017906129
main90179-06129
9017906193
main90179-06193
9017908153
main90179-08153
9021011002
main90210-11002
9091002124
main90910-02124
91621B0816
main91621-B0816
91621J0612
main91621-J0612
91641K0855
main91641-K0855
35 parts on this diagram · 1 diagram in section