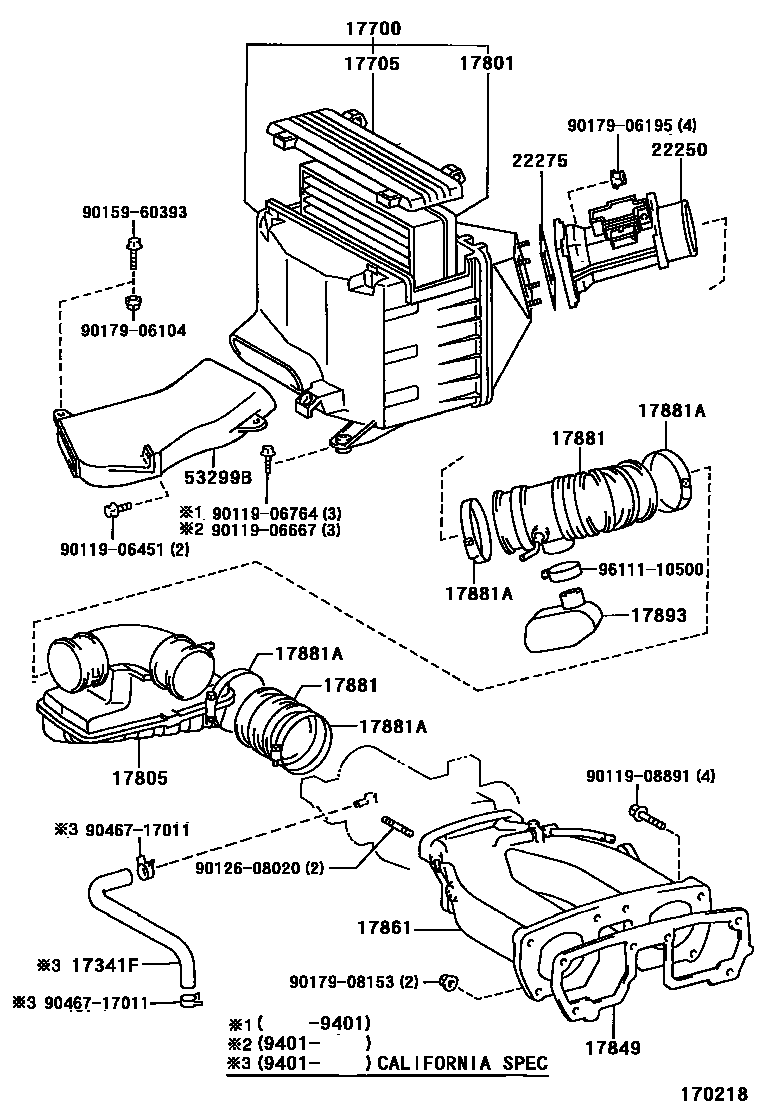
AIR CLEANER

17341FHOSE, AIR, NO.1
17705CAP SUB-ASSY, AIR CLEANER
17801ELEMENT SUB-ASSY, AIR CLEANER FILTER
17805CONNECTOR SUB-ASSY, INTAKE AIR
17881HOSE, AIR CLEANER, NO.1
AIR CLEANER SIDE
AIR CONNECTOR SIDE
AIR CLEANER SIDE
17881ACLAMP(FOR AIR CLEANER HOSE, NO.1)
RESONATOR SIDE
AIR CLEANER SIDE
RESONATOR SIDE
AIR FLOW METER SIDE
17893RESONATOR, INTAKE AIR
22250METER ASSY, INTAKE AIR FLOW
22275GASKET, AIR FLOW METER
53299BDUCT, COOL AIR INTAKE
9011906451
main90119-06451
9011906667
main90119-06667
9011906764
main90119-06764
9011908891
main90119-08891
9012608020
main90126-08020
9015960393
main90159-60393
9017906104
main90179-06104
9017906195
main90179-06195
9017908153
main90179-08153
9046717011
main90467-17011
9611110500
main96111-10500
24 parts on this diagram · 6 diagrams in section