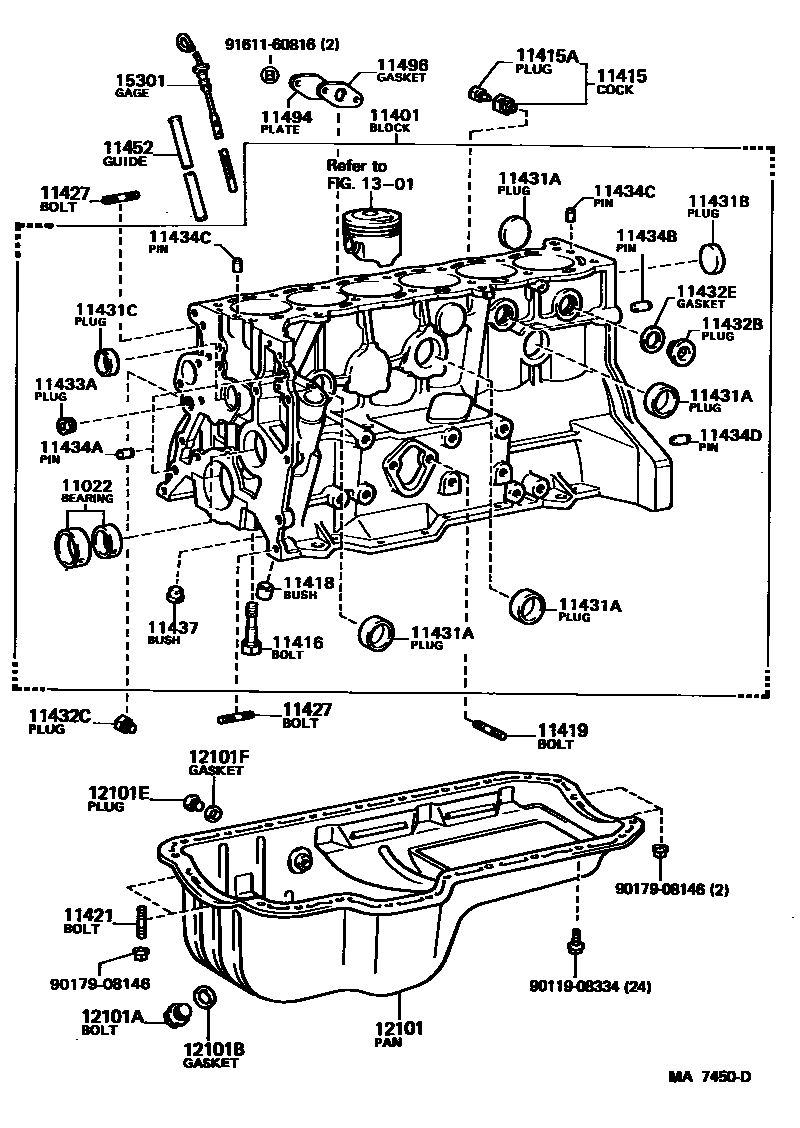
CYLINDER BLOCK

11022BEARING SET, PUMP DRIVE SHAFT
11401BLOCK SUB-ASSY, CYLINDER
11416BOLT(FOR CRANKSHAFT BEARING CAP SET)
*12-1.25PX67-22
11418BUSH, SOLID(FOR DISTRIBUTOR)
11419BOLT, STUD(FOR FUEL PUMP)
L=39,S=9&25
11421BOLT, STUD(FOR OIL PAN)
11427BOLT, STUD(FOR TIMING CHAIN COVER SET)
L=68,S=12&24
L=72,S=18&12
11431APLUG, TIGHT, NO.1(FOR CYLINDER BLOCK)
OD=40
11431BPLUG, TIGHT, NO.2(FOR CYLINDER BLOCK)
OD=35
11431CPLUG, TIGHT, NO.3(FOR CYLINDER BLOCK)
OD=35
11432BPLUG, W/HEAD TAPER SCREW, NO.2
11432CPLUG, W/HEAD TAPER SCREW, NO.3
11432EGASKET, W/HEAD TAPER SCREW PLUG
sub90430-32002
11433APLUG, STRAIGHT, NO.1
11434APIN, STRAIGHT(FOR TIMING GEAR COVER SET)
L=22,OD=10,L=22,OD=10
11434BPIN, STRAIGHT(FOR CLUTCH HOUSING SET)
L=22,OD=10,L=22,OD=10
11434CPIN, STRAIGHT (FOR CYLINDER HEAD SET)
L=18,OD=8,L=16,OD=8
11434DPIN, STRAIGHT(FOR ENGINE REAR OIL SEAL)
L=22,OD=10,L=22,OD=10
11437BUSH, OIL PUMP SHAFT GUIDE
11452GUIDE, OIL LEVEL GAGE
11494PLATE, OIL HOLE COVER
11496GASKET, OIL HOLE COVER PLATE
sub15318-42011
12101PAN SUB-ASSY, OIL
12101APLUG(FOR OIL PAN DRAIN)
sub90033-41020
12101EPLUG, OIL PAN(FOR OIL COOLER)
1301
9011908334
main90119-08334
9017908146
main90179-08146
9161160816
main91611-60816
34 parts on this diagram · 1 diagram in section