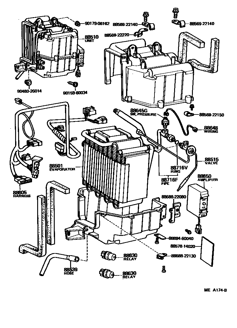
HEATING & AIR CONDITIONING - COOLER UNIT

88501EVAPORATOR SUB-ASSY, COOLER, NO.1
sub88501-22170
88515VALVE, COOLER EXPANSION
sub88515-22071
88539HOSE, COOLER UNIT DRAIN, NO.1
88605HARNESS SUB-ASSY, COOLER WIRING, NO.1
88630RELAY ASSY, COOLER
88645GSWITCH, PRESSURE
DENSO
88648WIRING, COOLER, NO.1
88650AMPLIFIER ASSY, COOLER STABILIZER
88716FPIPE, COOLER REFRIGERANT LIQUID, F
88716VRING, O(FOR COOLER UNIT)
8856922140CLAMP (FOR COOLER RELAY)
main88569-22140
8856922150CLAMP (FOR COOLER RELAY)
main88569-22150
8856922220CLAMP (FOR COOLER RELAY)
main88569-22220
8857814020PAKING, COOLER AIR DUCT
main88578-14020
8868822080BRACKET, COOLER DIAPHRAGM
main88688-22080
8868822130BRACKET, COOLER DIAPHRAGM
main88688-22130
8889460040
main88894-60040
9015960034
main90159-60034
9017906162
main90179-06162
9048026014
main90480-26014
21 parts on this diagram · 1 diagram in section