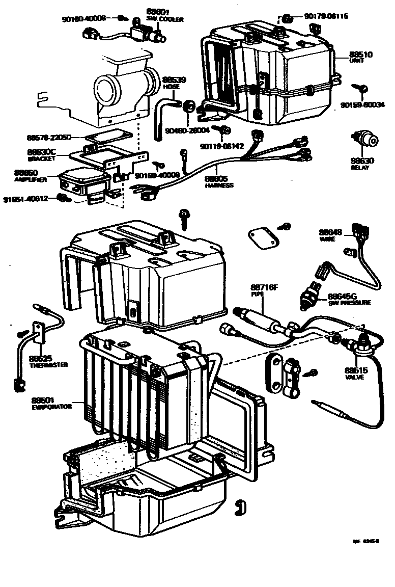
HEATING & AIR CONDITIONING - COOLER UNIT

88601SWITCH SUB-ASSY, COOLER CONTROL
88605HARNESS SUB-ASSY, COOLER WIRING, NO.1
W/BOOST VENTILATOR
W/BOOST VENTILATOR
88625THERMISTOR, COOLER, NO.1
W/BOOST VENTILATOR
88630CBRACKET, COOLER RELAY
W/BOOST VENTILATOR
88645GSWITCH, PRESSURE
sub88645-30250
88648WIRING, COOLER, NO.1
W/BOOST VENTILATOR
88650AMPLIFIER ASSY, COOLER STABILIZER
W/BOOST VENTILATOR
88716FPIPE, COOLER REFRIGERANT LIQUID, F
W/BOOST VENTILATOR
8857822050PAKING, COOLER AIR DUCT
main88578-22050
9011906142
main90119-06142
9015960034
main90159-60034
9016040008
main90160-40008
9017906115
main90179-06115
9048026004
main90480-26004
9165140612
main91651-40612
20 parts on this diagram · 2 diagrams in section