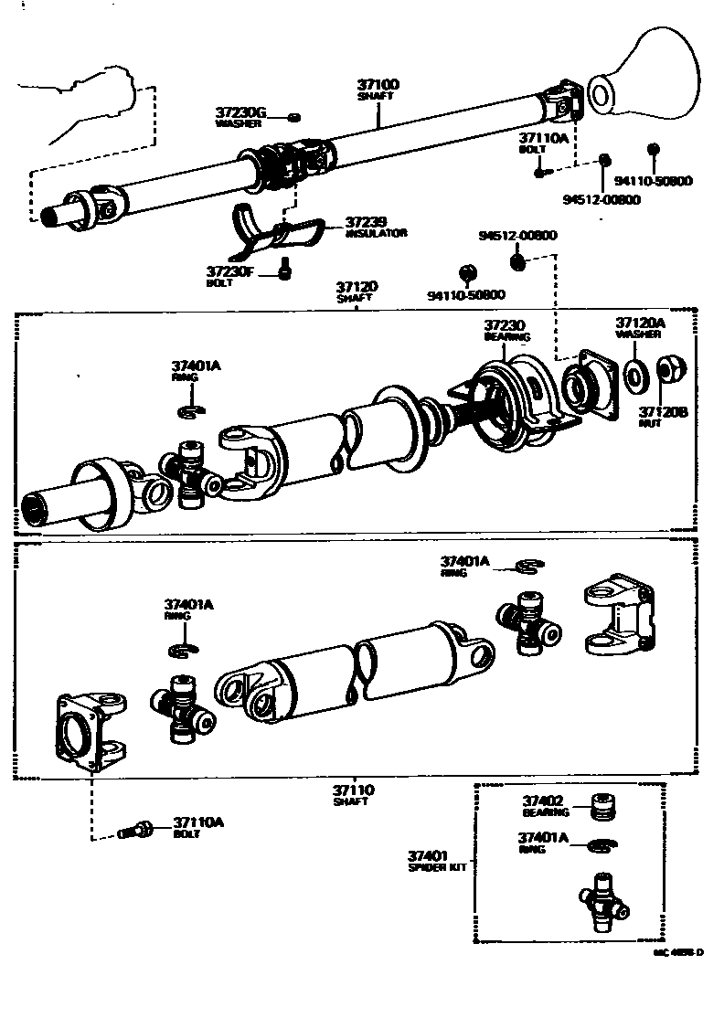
PROPELLER SHAFT & UNIVERSAL JOINT

37100SHAFT ASSY, PROPELLER W/CENTER BEARING
37110ABOLT (FOR PROPELLER SHAFT)
37120AWASHER, PLATE (FOR PROPELLER INTERMEDIATE SHAFT SET)
OD=33.5,T=4.0
37120BNUT (FOR PROPELLER INTERMEDIATE SHAFT SETTING)
sub90179-18001
37230FBOLT, NO.1 (FOR CENTER SUPPORT BEARING)
37230GWASHER, NO.2 (FOR CENTER SUPPORT BEARING)
T=4.5,T=4.5
T=9.0,T=9.0
T=6.5,T=6.5
T=11.0,T=11.0
T=13.5,T=13.5
37239INSULATOR, CENTER SUPPORT BEARING HEAT
37401SPIDER KIT, UNIVERSAL JOINT
37401ARING, HOLE SNAP (FOR SPIDER BEARING)
T=2.375-2.425,T=2.375-2.425
T=2.425-2.475,T=2.425-2.475
T=2.475-2.525,T=2.475-2.525
T=2.525-2.575,T=2.525-2.575
37402BEARING SUB-ASSY, UNIVERSAL JOINT SPIDER
OVER SIZE
9411050800
main94110-50800
9451200800
main94512-00800
15 parts on this diagram · 2 diagrams in section