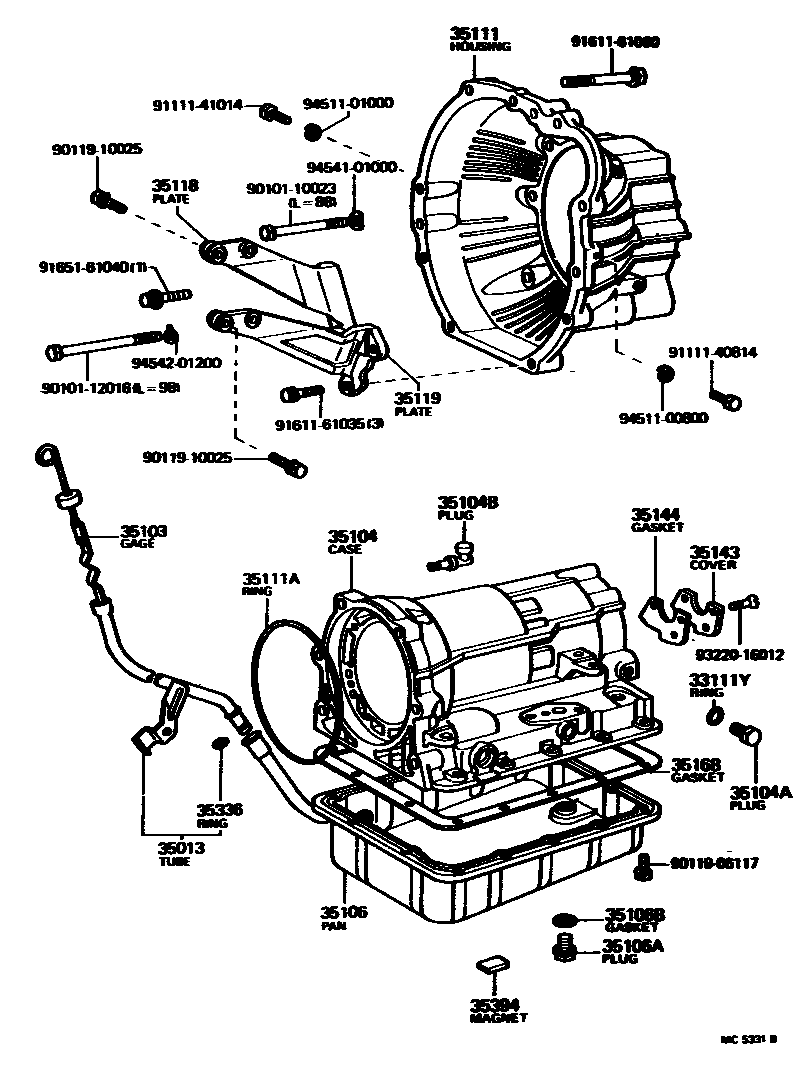
TRANSMISSION CASE & OIL PAN (ATM)

33111YSEAL, OIL(FOR TRANSMISSION CASE)
35103GAGE SUB-ASSY, TRANSMISSION OIL LEVEL
35104APLUG, AUTOMATIC TRANSMISSION CASE
35104BPLUG, BREATHER, NO.1 (ATM)
35106PAN SUB-ASSY, AUTOMATIC TRANSMISSION OIL
35106APLUG SUB-ASSY, DRAIN (ATM)
sub90341-10011
35106BGASKET, DRAIN PLUG (ATM)
35111ARING, O (FOR AUTOMATIC TRANSMISSION HOUSING)
sub90301-99054
35118PLATE, STIFENER, RH (ATM)
35119PLATE, STIFENER, LH (ATM)
35143COVER, TRANSMISSION CASE, REAR
35144GASKET, TRANSMISSION CASE REAR COVER
sub35144-28010
35336RING, O (FOR TRANSMISSION OIL FILLER TUBE)
35394MAGNET, OIL CLEANER (FOR TRANSMISSION)
9010110023
main90101-10023
9010112016
main90101-12016
9011906117
main90119-06117
9011910025
main90119-10025
9111140814
main91111-40814
9111141014
main91111-41014
9161161035
main91611-61035
9161161060
main91611-61060
9165161040
main91651-61040
9322016012
main93220-16012
9451100800
main94511-00800
9451101000
main94511-01000
9454101000
main94541-01000
9454201200
main94542-01200
32 parts on this diagram · 1 diagram in section