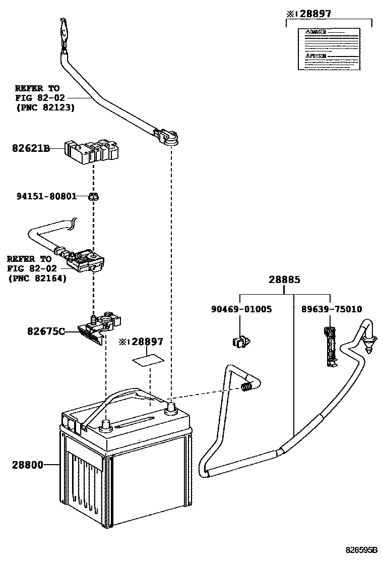
BATTERY & BATTERY CABLE

28800BATTERY
28885HOSE, BATTERY ROOM VENTILATION
28897PLATE, BATTERY CAUTION
main28897-46020
8202
82621BCOVER, FUSIBLE LINK
82675CTERMINAL, JUNCTION
8963975010WIRE, BRAKE CONTROL
main89639-75010
9046901005
main90469-01005
9415180801
main94151-80801
9 parts on this diagram · 4 diagrams in section