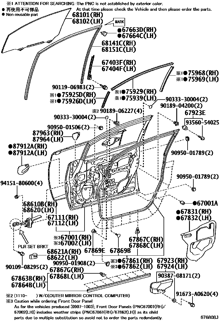
FRONT DOOR PANEL & GLASS

67001PANEL SUB-ASSY, FRONT DOOR, RH
67001ACUSHION, FRONT DOOR PANEL
67002PANEL SUB-ASSY, FRONT DOOR, LH
67111PANEL, FRONT DOOR, OUTER RH
67112PANEL, FRONT DOOR, OUTER LH
67403FFRAME SUB-ASSY, FRONT DOOR, REAR LOWER RH
67404FFRAME SUB-ASSY, FRONT DOOR, REAR LOWER LH
67663DGARNISH, DOOR FRAME, RH
67664CGARNISH, DOOR FRAME, LH
67831COVER, FRONT DOOR SERVICE HOLE, RH
67832COVER, FRONT DOOR SERVICE HOLE, LH
67863BWEATHERSTRIP, FRONT DOOR, NO.2 RH
67864BWEATHERSTRIP, FRONT DOOR, NO.2 LH
67867CRETAINER, FRONT DOOR WEATHERSTRIP, RH
67867GRETAINER, DOOR WEATHERSTRIP, RH
67868CRETAINER, FRONT DOOR WEATHERSTRIP, LH
67868LRETAINER, DOOR WEATHERSTRIP, LH
67869BCLIP, FRONT DOOR WEATHERSTRIP
67869ECLIP, FRONT DOOR WEATHERSTRIP
67923CUSHION, FRONT DOOR STIFFENER, NO.1
67923ECUSHION, FRONT DOOR STIFFENER, NO.1
67924CUSHION, FRONT DOOR STIFFENER, NO.2
68101GLASS SUB-ASSY, FRONT DOOR, RH
*UVCT,T=5.0,GREEN
68102GLASS SUB-ASSY, FRONT DOOR, LH
*UVCT,T=5.0,GREEN
68141CRUN, FRONT DOOR GLASS, RH
MARK=58-FR
68151CRUN, FRONT DOOR GLASS, LH
MARK=58-FL
68610BCHECK ASSY, FRONT DOOR, RH
PLR SET BRKT:BLACK
PLR SET BRKT:SILVER
68620CHECK ASSY, FRONT DOOR, LH
PLR SET BRKT:BLACK
PLR SET BRKT:SILVER
68621ACOVER, FRONT DOOR CHECK, RH
68622COVER, FRONT DOOR CHECK, LH
75925DTAPE, BLACK OUT, INNER FRONT RH
75926DTAPE, BLACK OUT, INNER FRONT LH
75929TAPE, BLACK OUT FRONT DOOR, INNER UPPER RH
75939TAPE, BLACK OUT FRONT DOOR, INNER UPPER LH
75968TAPE, BLACK OUT FRONT DOOR, INNER REAR RH
75969TAPE, BLACK OUT FRONT DOOR, INNER REAR LH
87912APROTECTOR, OUTER MIRROR
RH
LH
87963COVER, OUTER MIRROR INSTALL HOLE, RH
87964COVER, OUTER MIRROR INSTALL HOLE, LH
9010908295
main90109-08295
9011906983
main90119-06983
9018904200
main90189-04200
9018906227
main90189-06227
9033330004
main90333-30004
9038708171
main90387-08171
9095001506
main90950-01506
9095001789
main90950-01789
9095001908
main90950-01908
91673A0620
main91673-A0620
9356054025
main93560-54025
9415180600
main94151-80600
53 parts on this diagram · 2 diagrams in section