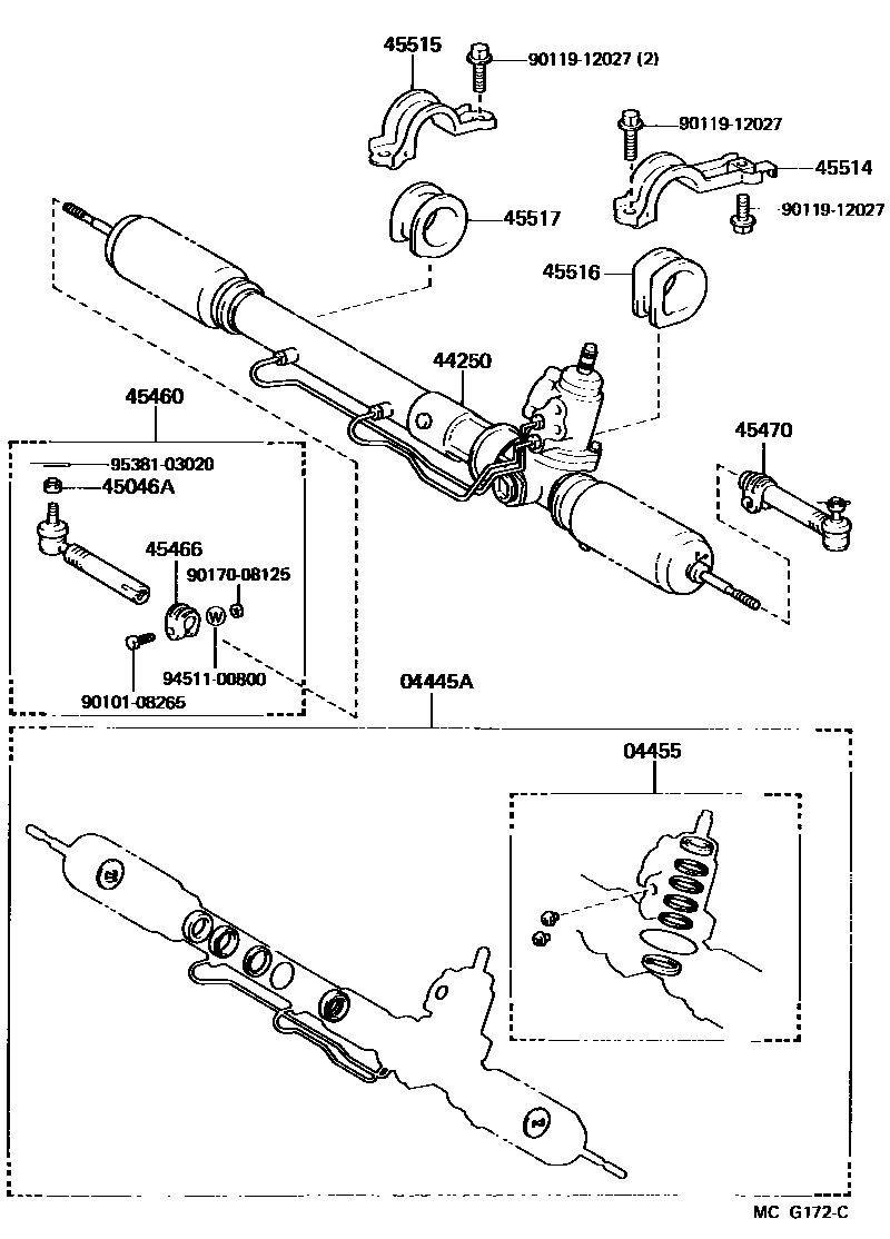
FRONT STEERING GEAR & LINK

04445AGASKET KIT, POWER STEERING GEAR(FOR RACK & PINION)
W(*73)
04455GASKET KIT, POWER STEERING CONTROL VALVE OVERHOLE
W(*73)
45046ANUT, CASTLE(FOR TIE ROD END)
45460ROD ASSY, TIE, RH
45466CLAMP, TIE ROD END
45470ROD ASSY, TIE, LH
45514BRACKET, STEERING RACK HOUSING, NO.1
W(*73)
W(*73)
45515BRACKET, STEERING RACK HOUSING, NO.2
W(*73)
W(*73)
45517GROMMET, STEERING RACK HOUSING, NO.2
W(*73)
9010108265
main90101-08265
9011912027
main90119-12027
9017008125
main90170-08125
9451100800
main94511-00800
9538103020
main95381-03020
16 parts on this diagram · 4 diagrams in section