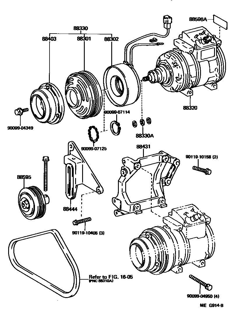
HEATING & AIR CONDITIONING - COMPRESSOR

1605
88330AWASHER (FOR MAGNET CLUTCH)
88431BRACKET, COMPRESSOR MOUNTING, NO.1
88444BRACKET, IDLE PULLEY
88595PULLEY, COOLER COMPRESSOR IDLE
88596APLATE, CAUTION
9009904349
main90099-04349
9009904950
main90099-04950
9009907114
main90099-07114
9009907125
main90099-07125
9011910158
main90119-10158
9011910405
main90119-10405
17 parts on this diagram · 2 diagrams in section