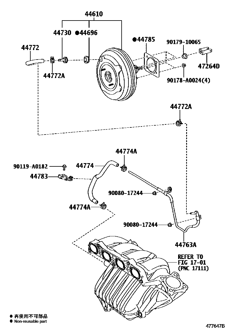
BRAKE BOOSTER & VACUUM TUBE

1701
44696GROMMET, CHECK VALVE
44730VALVE ASSY, VACUUM CHECK(FOR BRAKE)
44772HOSE, CHECK VALVE TO CONNECTOR TUBE
44772ACLIP(FOR CHECK VALVE TO CONNECTOR TUBE)
44774HOSE, UNION TO CONNECTOR TUBE
44774ACLIP(FOR UNION TO CONNECTOR TUBE HOSE)
44783CLAMP, VACUUM HOSE
44785GASKET, BRAKE BOOSTER
(L)
(J)
47264DCLEVIS, BRAKE MASTER CYLINDER PUSH ROD
9008017244
main90080-17244
90119A0182
main90119-A0182
90178A0024
main90178-A0024
9017910065
main90179-10065
16 parts on this diagram · 1 diagram in section