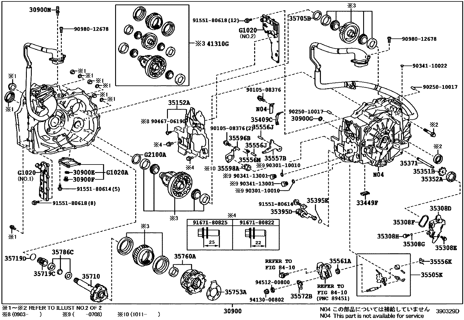
TRANSAXLE ASSY(HEV OR BEV OR FCEV)

30900EGASKET(FOR TRANSAXLE HOUSING & CASE)
30900FPLUG, W/HEAD STRAIGHT SCREW, NO.2(FOR TRANSAXLE HSG & CASE)
30900GGASKET, NO.2(FOR TRANSAXLE HOUSING & CASE)
30900NPLUG, BREATHER(FOR TRANSAXLE)
33449FMAGNET, TRANSMISSION NO.1
35152ACOVER, AUTOMATIC TRANSMISSION CASE, NO.2
35308DCOVER SUB-ASSY, TRANSMISSION OIL PUMP
35308EBOLT, W/WASHER (FOR TRANSMISSION OIL PUMP COVER)
35308FRING, O, NO.1 (FOR TRANSMISSION OIL PUMP COVER)
35308GRING, O, NO.2 (FOR TRANSMISSION OIL PUMP COVER)
35308HPLUG (FOR TRANSMISSION OIL PUMP COVER)
35351BROTOR, TRANSAXLE OIL PUMP DRIVE
35352AROTOR, TRANSMISSION OIL PUMP DRIVEN
35371SHAFT, OIL PUMP DRIVE
35395DSTRAINER, TRANSMISSION OIL
35395ERING, O(FOR TRANSAXLE OIL STRAINER)
35409CSPRING SUB-ASSY, MANUAL DETENT
35505KLEVER SUB-ASSY, PARKING LOCK, NO.1
35556JSHAFT, PARKING LOCK PAWL
35556KSPRING, RETAINER
35556MSPRING, TORSION
35557BPAWL, PARKING LOCK
35561ASEAL, TYPE T OIL(FOR PARKING LOCK SHAFT)
35572BLEVER, TRANSMISSION, OUTER
35596BPLATE, PAWL STOPPER
35598ASLEEVE, PARKING LOCK
35705BSHIM(FOR COUNTER DRIVEN GEAR)
T=1.75,MARK 1
T=1.77,MARK 2
T=1.79,MARK 3
T=1.81,MARK 4
T=1.83,MARK 5
T=1.85,MARK 6
T=1.87,MARK 7
T=1.89,MARK 8
T=1.91,MARK 9
T=1.93,MARK 10
T=1.95,MARK 11
T=1.97,MARK 12
T=1.99,MARK 13
T=2.01,MARK 14
T=2.03,MARK 15
T=2.05,MARK 16
T=2.07,MARK 17
T=2.09,MARK 18
T=2.11,MARK 19
T=2.13,MARK 20
T=2.15,MARK 21
T=2.17,MARK 22
T=2.19,MARK 23
T=2.21,MARK 24
T=2.23,MARK 25
T=2.25,MARK 26
T=2.27,MARK 27
T=2.29,MARK 28
T=2.31,MARK 29
T=2.33,MARK 30
T=2.35,MARK 31
T=2.37,MARK 32
T=2.39,MARK 33
T=2.41,MARK 34
T=2.43,MARK 35
T=2.45,MARK 36
T=2.47,MARK 37
T=2.49,MARK 38
T=2.51,MARK 39
T=2.53,MARK 40
T=2.55,MARK 41
T=2.57,MARK 42
T=2.59,MARK 43
T=2.61,MARK 44
T=2.63,MARK 45
T=2.65,MARK 46
T=2.67,MARK 47
T=2.69,MARK 48
T=2.71,MARK 49
T=2.73,MARK 50
T=2.75,MARK 51
T=2.77,MARK 52
T=2.79,MARK 53
T=2.81,MARK 54
35710SHAFT ASSY, INPUT
35719CGEAR, PLANETARY SUN
35719DRING, SNAP(FOR PLANETARY SUN GEAR)
T=3.88,MARK 1
T=3.91,MARK 2
T=3.94,MARK 3
T=3.97,MARK 4
T=4.00,MARK 5
T=4.03,MARK 6
T=4.06,MARK 7
T=4.09,MARK 8
T=4.12,MARK 9
T=4.15,MARK 10
T=4.18,MARK 11
T=4.21,MARK 12
T=4.24,MARK 13
T=4.27,MARK 14
T=4.30,MARK 15
T=4.33,MARK 16
T=4.36,MARK 17
T=4.39,MARK 18
T=4.42,MARK 19
T=4.45,MARK 20
T=4.48,MARK 21
T=4.51,MARK 22
T=4.54,MARK 23
T=4.57,MARK 24
T=4.60,MARK 25
T=4.63,MARK 26
T=4.66,MARK 27
T=4.69,MARK 28
T=4.72,MARK 29
35753ARECEIVER, PLANETARY OIL
35760AGEAR ASSY, REAR PLANETARY NO.1
35786CRACE, THRUST BEARING, NO.1
41310GGEAR KIT, DIFFERENTIAL & COUNTER DRIVEN
8410
G1020COVER ASSY, MOTOR WATER JACKET, NO.1
NO.1
NO.2
G1020ACOVER ASSY, MOTOR WATER JACKET, NO.2
G2100ASHIM(FOR DIFFERENTIAL CASE RH)
T=2.00,MARK 1
T=2.02,MARK 2
T=2.04,MARK 3
T=2.06,MARK 4
T=2.08,MARK 5
T=2.10,MARK 6
T=2.12,MARK 7
T=2.14,MARK 8
T=2.16,MARK 9
T=2.18,MARK 10
T=2.20,MARK 11
T=2.22,MARK 12
T=2.24,MARK 13
T=2.26,MARK 14
T=2.28,MARK 15
T=2.30,MARK 16
T=2.32,MARK 17
T=2.34,MARK 18
T=2.36,MARK 19
T=2.38,MARK 20
T=2.40,MARK 21
T=2.42,MARK 22
T=2.44,MARK 23
T=2.46,MARK 24
T=2.48,MARK 25
T=2.50,MARK 26
T=2.52,MARK 27
T=2.54,MARK 28
T=2.56,MARK 29
T=2.58,MARK 30
T=2.60,MARK 31
T=2.62,MARK 32
T=2.64,MARK 33
T=2.66,MARK 34
T=2.68,MARK 35
T=2.70,MARK 36
T=2.72,MARK 37
T=2.74,MARK 38
T=2.76,MARK 39
T=2.78,MARK 40
T=2.80,MARK 41
T=2.82,MARK 42
T=2.84,MARK 43
T=2.86,MARK 44
9010508376
9025010017
9030110010
9034110022
9034113001
9046706190
9098012678
9155180614
9155180618
9167180822
9167180825
9413000802
9451200800
52 parts on this diagram · 2 diagrams in section