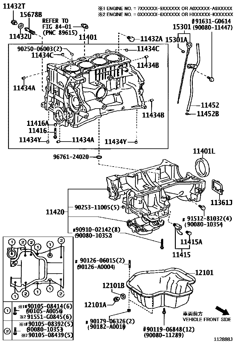
CYLINDER BLOCK

11361JCOVER, FLYWHEEL HOUSING UNDER
(L)
(J)
11401LSEAL, ENGINE REAR OIL
sub90311-89010
11415COCK SUB-ASSY, WATER DRAIN(FOR CYLINDER BLOCK)
*108
*195
11415APLUG, WATER DRAIN COCK(FOR CYLINDER BLOCK)
*108
*195
11416APIN, RING(FOR CRANKSHAFT BEARING CAP SET)
(J),*108
*195
(J)
11420CRANKCASE ASSY, STIFFENING
sub11420-0H060
11432APLUG, W/HEAD TAPER SCREW, NO.1
*108
*195
11432TPLUG, W/HEAD STRAIGHT SCREW, NO.3(FOR CYLINDER BLOCK)
*108
*195
11432UGASKET, STRAIGHT SCREW PLUG NO.1(FOR CYLINDER BLOCK)
*108
*195
11434APIN, STRAIGHT(FOR TIMING GEAR COVER SET)
L=18,OD=8,(J)
L=18,OD=8,*108
L=18,OD=8,*195
11434BPIN, STRAIGHT(FOR CLUTCH HOUSING SET)
L=22,OD=10
L=22,OD=10,*108
L=22,OD=10,*195
L=22,OD=10,(J)
11434CPIN, STRAIGHT (FOR CYLINDER HEAD SET)
L=12,OD=4.0
L=12,OD=14,(J)
L=12,OD=14,*108
L=12,OD=14,*195
11434YPIN, STRAIGHT(FOR OIL PAN)
*108
*195
(J)
11452GUIDE, OIL LEVEL GAGE
(L)
*108
(J)
*195
11452BRING, O(FOR OIL LEVEL GAGE GUIDE)
*108
*195
12101PAN SUB-ASSY, OIL
*108
*195
(L)
(J)
12101BGASKET(FOR OIL PAN DRAIN PLUG)
*108
*195
15301ARING, O(FOR OIL LEVEL GAGE)
*195
*108
15678BFILTER, OIL CONTROL VALVE
*108
*195
8401
9008010352
main90080-10352
9008010353
main90080-10353
9008010354
main90080-10354
9008011289
main90080-11289
9008011447
main90080-11447
9010508392
main90105-08392
9010508414
main90105-08414
9010508439
main90105-08439
90105A0056
main90105-A0056
9011906848
main90119-06848
9012606015
main90126-06015
90126A0004
main90126-A0004
9017906326
main90179-06326
90182A0010
main90182-A0010
9025006003
main90250-06003
9025311005
main90253-11005
9091002142
main90910-02142
9151281032
main91512-81032
91551G0845
main91551-G0845
91631G0614
main91631-G0614
9676124020
main96761-24020
45 parts on this diagram · 3 diagrams in section