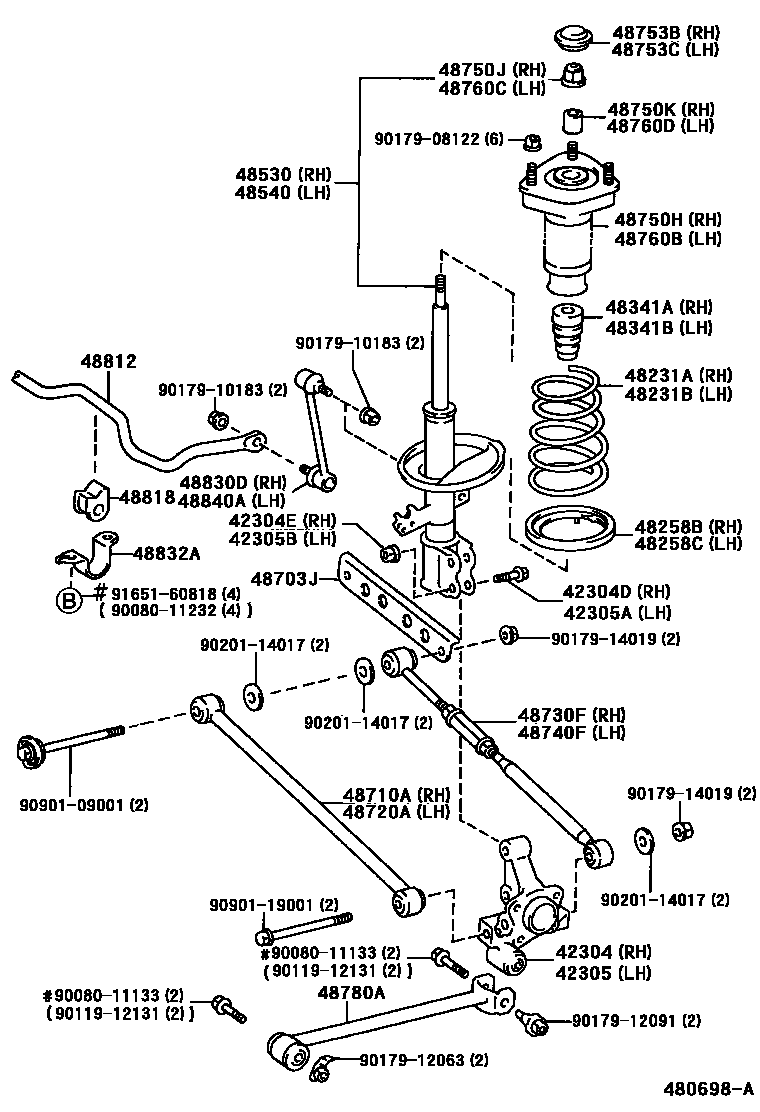
REAR SPRING & SHOCK ABSORBER

42304CARRIER SUB-ASSY, REAR AXLE, RH
W(ABS)
42304DBOLT (FOR REAR AXLE CARRIER RH)
42304ENUT (FOR REAR AXLE CARRIER RH)
42305CARRIER SUB-ASSY, REAR AXLE, LH
W(ABS)
42305ABOLT (FOR REAR AXLE CARRIER LH)
42305BNUT (FOR REAR AXLE CARRIER LH)
48231ASPRING, COIL, REAR RH
48231BSPRING, COIL, REAR LH
48530ABSORBER ASSY, SHOCK, REAR RH
48540ABSORBER ASSY, SHOCK, REAR LH
48703JWASHER, NO.2(FOR REAR SUSPENSION ARM)
48730FARM ASSY, REAR SUSPENSION, NO.2 RH
48740FARM ASSY, REAR SUSPENSION, NO.2 LH
48750JNUT(FOR REAR SUPPORT TO REAR SHOCK ABSORBER RH)
48750KCOLLAR(FOR REAR SUPPORT TO REAR SHOCK ABSORBER RH)
48753BCOVER, REAR SUSPENSION SUPOPORT, NO.1 RH
48753CCOVER, REAR SUSPENSION SUPOPORT, NO.1 LH
48760CNUT(FOR REAR SUPPORT TO REAR SHOCK ABSORBER LH)
48760DCOLLAR(FOR REAR SUPPORT TO REAR SHOCK ABSORBER LH)
48780AROD ASSY, STRUT, REAR
48812BAR, STABILIZER, REAR
48818BUSH, STABILIZER, REAR
48830DLINK ASSY, REAR STABILIZER, RH
48832ABRACKET, REAR STABILIZER BAR, NO.1
48840ALINK ASSY, REAR STABILIZER, LH
9008011133
main90080-11133
9008011232
main90080-11232
9011912131
main90119-12131
9017908122
main90179-08122
9017910183
main90179-10183
9017912063
main90179-12063
9017912091
main90179-12091
9017914019
main90179-14019
9020114017
main90201-14017
9090109001
main90901-09001
9090119001
main90901-19001
9165160818
main91651-60818
45 parts on this diagram · 1 diagram in section