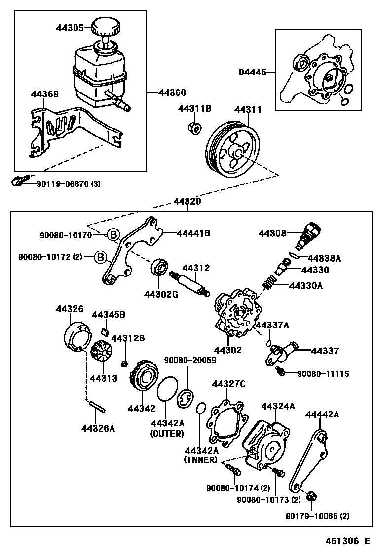
VANE PUMP & RESERVOIR (POWER STEERING)

44302HOUSING SUB-ASSY, VANE PUMP, FRONT
44302GSEAL, OIL, NO.2(FOR VANE PUMP HOUSING)
44308UNION SUB-ASSY, PRESSURE PORT
44311BNUT(FOR VANE PUMP PULLEY)
44312SHAFT, VANE PUMP
44312BRING, SNAP, NO.1(FOR VANE PUMP SHAFT)
44313ROTOR, VANE PUMP
NO MARK
MARK 1
MARK 2
MARK 3
MARK 4
MARK 0
MARK 1
MARK 2
MARK 3
MARK 4
44326RING, CAM(FOR VANE PUMP)
NO MARK
MARK 1
MARK 2
MARK 3
MARK 4
44326APIN, STRAIGHT(FOR VANE PUMP CAM RING)
L=23.3,OD=4.0
44327CGASKET, VANE PUMP HOUSING
44330VALVE ASSY, FLOW CONTROL
MARK A
MARK B
MARK C
MARK D
MARK E
MARK F
MARK A
MARK B
MARK C
MARK D
MARK E
MARK F
44330ASPRING, COMPRESSION(FOR FLOW CONTROL VALVE)
44337UNION, POWER STEERING SUCTION PORT
44337ARING, O(FOR POWER STEERING SUCTION PORT)
44338ARING, O(FOR PRESSURE PORT UNION)
OD=22,ID=18.6
44342PLATE, VANE PUMP SIDE, REAR
44342ARING, O(FOR VANE PUMP SIDE PLATE REAR)
INNER
OUTER
44345BPLATE, VANE PUMP
L=15.000
L=14.008
L=14.006
L=14.004
L=14.002
L=12.000
L=11.998
L=11.996
L=11.994
L=11.992
L=15.000
L=14.998
L=14.996
L=14.994
L=14.992
44360RESERVOIR ASSY, VANE PUMP OIL
44369BRACKET, OIL RESERVOIR, NO.1
9008010170
main90080-10170
9008010172
main90080-10172
9008010173
main90080-10173
9008010174
main90080-10174
9008011115
main90080-11115
9008020059
main90080-20059
9011906870
main90119-06870
9017910065
main90179-10065
35 parts on this diagram · 3 diagrams in section