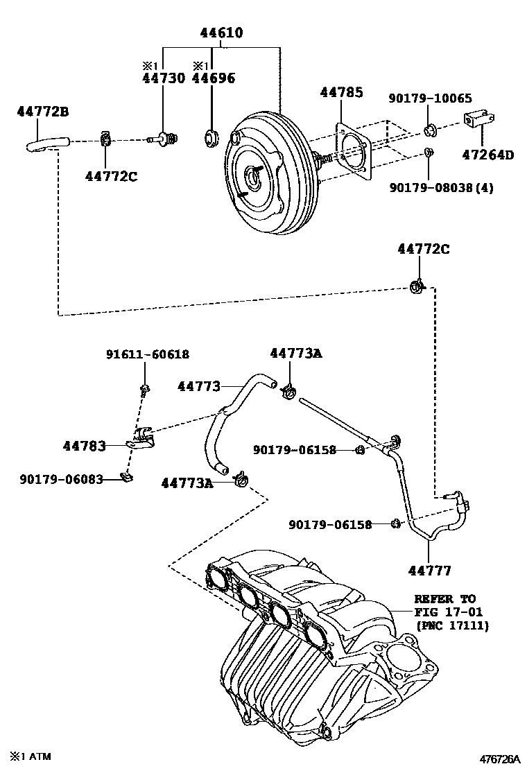
BRAKE BOOSTER & VACUUM TUBE

1701
44610BOOSTER ASSY, BRAKE
44696GROMMET, CHECK VALVE
CALIFORNIA SPEC
44730VALVE ASSY, VACUUM CHECK(FOR BRAKE)
CALIFORNIA SPEC
44772HOSE, CHECK VALVE TO CONNECTOR TUBE
main90467-16014
main44772-33150
main44772-33170
main44772-33180
main44772-33190
44772BHOSE, CHECK VALVE TO BRAKE BOOSTER
44772CCLIP(FOR CHECK VALVE TO BRAKE BOOSTER HOSE)
44773HOSE, VACUUM, NO.2
44773ACLIP, NO.1(FOR VACUUM HOSE, NO.2)
44777CONNECTOR, VACUUM HOSE, NO.1
44783CLAMP, VACUUM HOSE
44785GASKET, BRAKE BOOSTER
47264DCLEVIS, BRAKE MASTER CYLINDER PUSH ROD
9017906083
main90179-06083
9017906158
main90179-06158
9017908038
main90179-08038
9017910065
main90179-10065
9161160618
main91611-60618
18 parts on this diagram · 4 diagrams in section