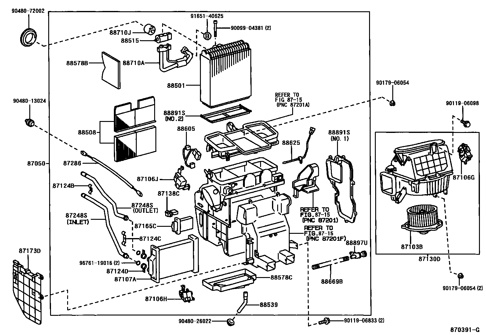
HEATING & AIR CONDITIONING - COOLER UNIT

87050RADIATOR ASSY, AIR CONDITIONER
W(AIR FILTER)
87106GSERVO SUB-ASSY, DAMPER(FOR BLOWER)
87106HSERVO SUB-ASSY, DAMPER(FOR AIRMIX)
87106JSERVO SUB-ASSY, DAMPER(FOR MODE)
87107AUNIT SUB-ASSY, HEATER RADIATOR
87124BCLAMP, HEATER
87124CCLAMP, HEATER
87124DCLAMP, HEATER, NO.3
87138CRESISTOR, BLOWER
8715
87173DPROTECTOR HEATER
87248SPIPE, FRONT HEATER RADIATOR WATER
INLET
OUTLET
87286CABLE, CONTROL
88501EVAPORATOR SUB-ASSY, COOLER, NO.1
sub88501-33080
88508FILTER SUB-ASSY, CLEAN AIR
W(HYBRID AIR FILTER)
88515VALVE, COOLER EXPANSION
sub88515-22240
88539HOSE, COOLER UNIT DRAIN, NO.1
88578BPACKING, COOLING UNIT, NO.1
88578CPACKING, COOLING UNIT, NO.2
88605HARNESS SUB-ASSY, COOLER WIRING, NO.1
88625THERMISTOR, COOLER, NO.1
88669BHOSE, COOLER AIR
sub88669-28030
88710ATUBE ASSY, AIR CONDITIONER
88710JTUBE, AIR CONDITIONER CONNECTOR
88897UPIPE, ASPIRATOR
9009904381
main90099-04381
9011906098
main90119-06098
9011906833
main90119-06833
9017906054
main90179-06054
9048013024
main90480-13024
9048026022
main90480-26022
9048072002
main90480-72002
9165140625
main91651-40625
9676119016
main96761-19016
38 parts on this diagram · 2 diagrams in section