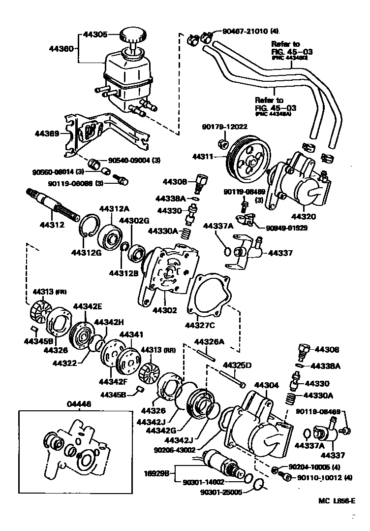
VANE PUMP & RESERVOIR (POWER STEERING)

04446GASKET KIT, POWER STEERING PUMP
16929BVALVE, HYDRAULIC MOTOR CONTROL
44302HOUSING SUB-ASSY, VANE PUMP, FRONT
44302GSEAL, OIL, NO.2(FOR VANE PUMP HOUSING)
44304HOUSING SUB-ASSY, VANE PUMP, REAR
44305CAP SUB-ASSY, VANE PUMP OIL RESERVOIR
44308UNION SUB-ASSY, PRESSURE PORT
RR
FR
FR
44311PULLEY, VANE PUMP
44312SHAFT, VANE PUMP
OD=17.999-18.004
OD=17.994-17.999
44312ABEARING(FOR VANE PUMP SHAFT)
44312BRING, SNAP, NO.1(FOR VANE PUMP SHAFT)
44312GRING, SNAP, NO.2(FOR VANE PUMP SHAFT BEARING)
44313ROTOR, VANE PUMP
NO MARK,NO MARK,FR
MARK 1,MARK 1,FR
MARK 2,MARK 2,FR
MARK 3,MARK 3,FR
MARK 4,MARK 4,FR
NO MARK,NO MARK,RR
MARK 1,MARK 1,RR
MARK 2,MARK 2,RR
MARK 3,MARK 3,RR
MARK 4,MARK 4,RR
44320PUMP ASSY, VANE
44322SEAL, VANE PUMP SIDE PLATE
44325DPIN, RING(FOR VANE PUMP CAM RING)
44326RING, CAM(FOR VANE PUMP)
NO MARK,NO MARK,RR
MARK 1,MARK 1,RR
MARK 2,MARK 2,RR
MARK 3,MARK 3,RR
MARK 2,MARK 2,FR
MARK 3,MARK 3,FR
MARK 4,MARK 4,FR
MARK 5,MARK 5,FR
MARK 6,MARK 6,FR
44326APIN, STRAIGHT(FOR VANE PUMP CAM RING)
L=59.5,OD=4
44327CGASKET, VANE PUMP HOUSING
44330VALVE ASSY, FLOW CONTROL
MARK A,MARK A,FR
MARK B,MARK B,FR
MARK C,MARK C,FR
MARK D,MARK D,FR
MARK E,MARK E,FR
MARK F,MARK F,FR
MARK A,MARK A,RR
MARK B,MARK B,RR
MARK C,MARK C,RR
MARK D,MARK D,RR
MARK E,MARK E,RR
MARK F,MARK F,RR
44330ASPRING, COMPRESSION(FOR FLOW CONTROL VALVE)
44337UNION, POWER STEERING SUCTION PORT
FR
RR
FR
RR
44337ARING, O(FOR POWER STEERING SUCTION PORT)
RR
44338ARING, O(FOR PRESSURE PORT UNION)
44341PLATE, VANE PUMP SIDE, FRONT
44342EPLATE, VANE PUMP SIDE, REAR NO.1
44342FPLATE, VANE PUMP SIDE, REAR NO.2
44342GPLATE, VANE PUMP SIDE, REAR NO.3
44342HRING, O(FOR VANE PUMP SIDE PLATE REAR NO.1)
44342JRING, O(FOR VANE PUMP SIDE PLATE REAR NO.2)
OD=40.16,ID=36.6
OD=60.5,ID=56.5
44345BPLATE, VANE PUMP
L=14.997,ROTOR NO MARK,RR
L=14.995,ROTOR MARK 1,RR
L=14.993,ROTOR MARK 2,RR
L=14.991,ROTOR MARK 3,RR
L=14.989,RR
L=15.000,ROTOR NO MARK,FR
L=14.998,ROTOR MARK 1,FR
L=14.996,ROTOR MARK 2,FR
ROTOR MARK 6
ROTOR MARK 7
L=15.000
L=14.998
L=14.996
44360RESERVOIR ASSY, VANE PUMP OIL
44369BRACKET, OIL RESERVOIR, NO.1
4503
9011010012
9011906088
9011908469
9017912022
9020410005
9020643002
9030114002
9030125005
9046721010
9054009004
9056006014
9094901929
46 parts on this diagram · 1 diagram in section