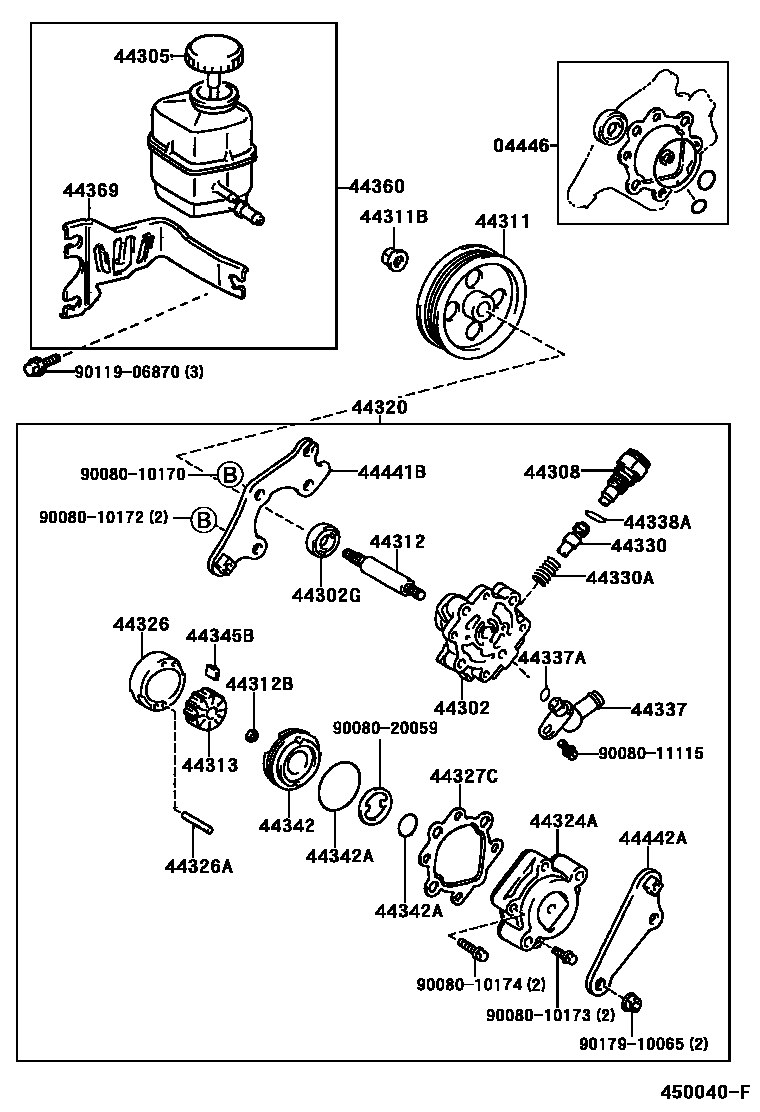
VANE PUMP & RESERVOIR (POWER STEERING)

44302HOUSING SUB-ASSY, VANE PUMP, FRONT
44302GSEAL, OIL, NO.2(FOR VANE PUMP HOUSING)
44305CAP SUB-ASSY, VANE PUMP OIL RESERVOIR
44308UNION SUB-ASSY, PRESSURE PORT
44311BNUT(FOR VANE PUMP PULLEY)
44312SHAFT, VANE PUMP
44312BRING, SNAP, NO.1(FOR VANE PUMP SHAFT)
44313ROTOR, VANE PUMP
NO MARK
MARK 1
MARK 2
MARK 3
MARK 4
44326RING, CAM(FOR VANE PUMP)
NO MARK
MARK 1
MARK 2
MARK 3
MARK 4
44326APIN, STRAIGHT(FOR VANE PUMP CAM RING)
L=23.3,OD=4.0
L=23.3,OD=4.0
44327CGASKET, VANE PUMP HOUSING
44330VALVE ASSY, FLOW CONTROL
MARK A
MARK B
MARK C
MARK D
MARK E
MARK F
MARK A
MARK B
MARK C
MARK D
MARK E
MARK F
44330ASPRING, COMPRESSION(FOR FLOW CONTROL VALVE)
44337UNION, POWER STEERING SUCTION PORT
44337ARING, O(FOR POWER STEERING SUCTION PORT)
44338ARING, O(FOR PRESSURE PORT UNION)
44342PLATE, VANE PUMP SIDE, REAR
44342ARING, O(FOR VANE PUMP SIDE PLATE REAR)
INNER
OUTER
44345BPLATE, VANE PUMP
L=15.000
L=14.008
L=14.006
L=14.004
L=14.002
L=15.000
L=14.998
L=14.996
L=14.994
L=14.992
44360RESERVOIR ASSY, VANE PUMP OIL
44369BRACKET, OIL RESERVOIR, NO.1
9008010170
main90080-10170
9008010172
main90080-10172
9008010173
main90080-10173
9008010174
main90080-10174
9008011115
main90080-11115
9008020059
main90080-20059
9011906870
main90119-06870
9017910065
main90179-10065
35 parts on this diagram · 2 diagrams in section