HEATING & AIR CONDITIONING - COMPRESSOR

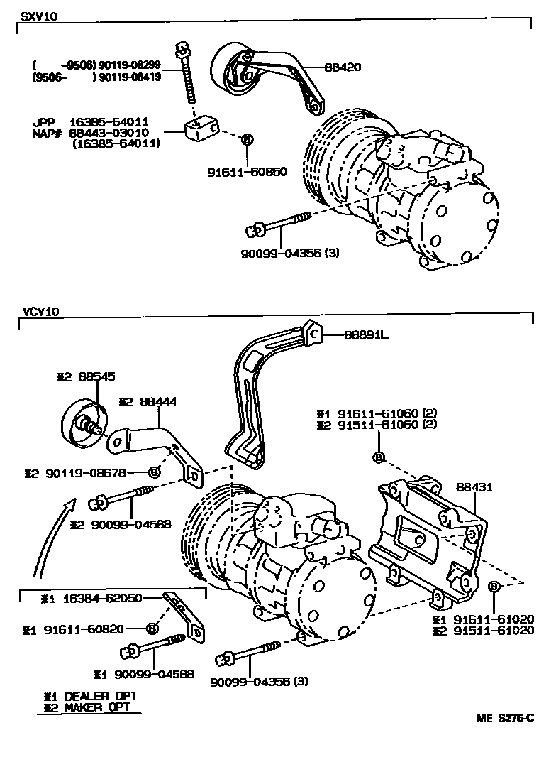
88420PULLEY ASSY, IDLE, W/BRACKET
88431BRACKET, COMPRESSOR MOUNTING, NO.1
(L)
DEALER OPTION
(J)
88545PULLEY ASSY, IDLE
1638462050BRACKET, FAN BELT ADJUSTING BAR
main16384-62050
1638564011SLIDER, FAN BELT ADJUSTING
main16385-64011
8844303010COLLAR, IDLE PULLEY
main88443-03010
9009904356
main90099-04356
9009904588
main90099-04588
9011908299
main90119-08299
9011908419
main90119-08419
9011908678
main90119-08678
9151161020
main91511-61020
9151161060
main91511-61060
9161160820
main91611-60820
9161160850
main91611-60850
9161161020
main91611-61020
9161161060
main91611-61060
19 parts on this diagram · 4 diagrams in section