E
EPC Data

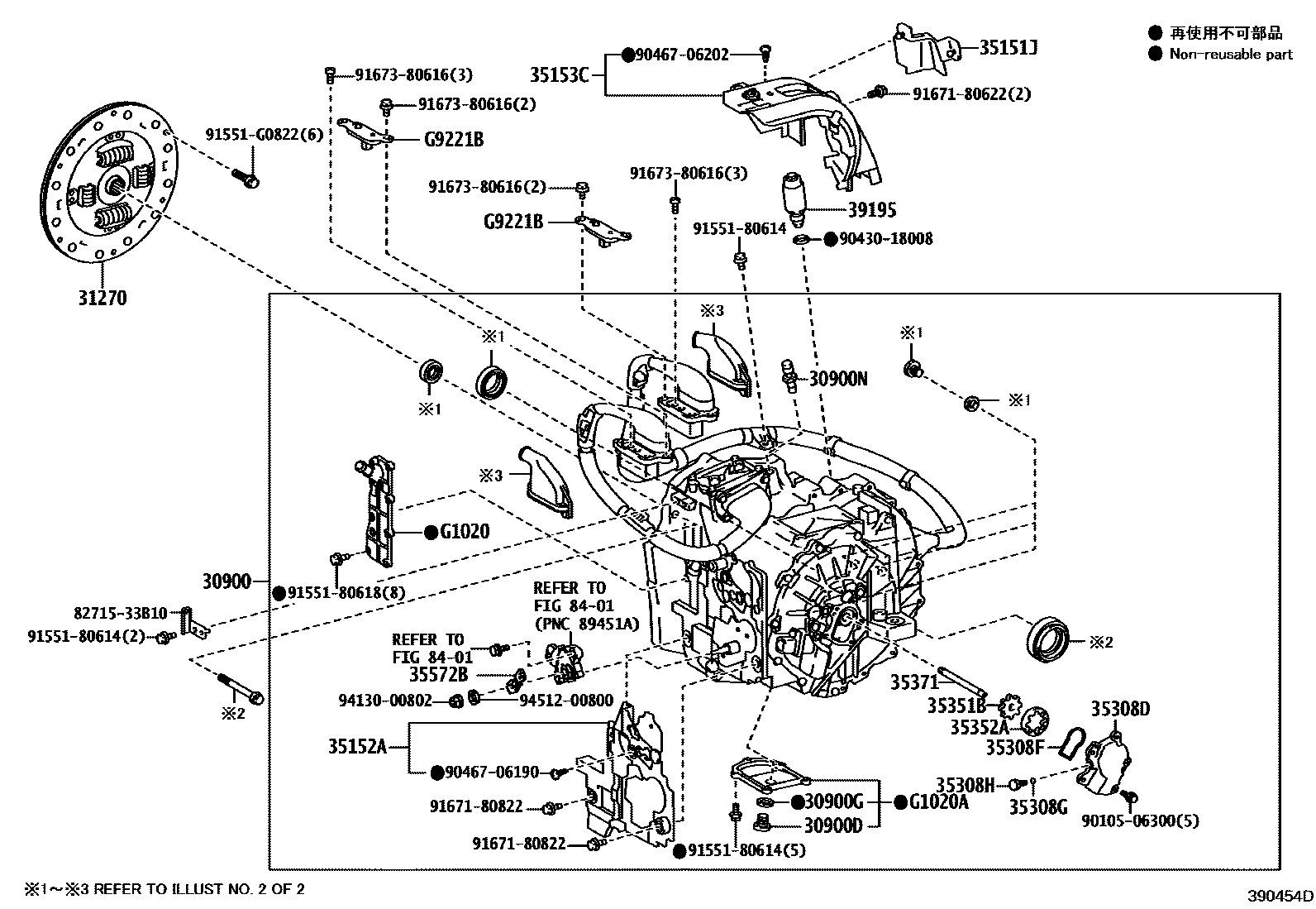
TRANSAXLE ASSY(HEV OR BEV OR FCEV)

Parts diagram
30900TRANSAXLE ASSY, HYBRID VEHICLE
main30900-33050i201206-201209
main30900-33051i201209-201502
main30900-33053i201503-201507
30900DPLUG, W/HEAD STRAIGHT SCREW(FOR TRANSAXLE HOUSING & CASE)
main90341-18016i201206-201507
30900GGASKET, NO.2(FOR TRANSAXLE HOUSING & CASE)
main90430-18008i201206-201507
30900NPLUG, BREATHER(FOR TRANSAXLE)
main90930-03201i201206-201507
31270DAMPER ASSY, TRANSMISSION INPUT
main31270-30010i201210-201507
main31270-33020i201206-201209
35151JCOVER, AUTOMATIC TRANSMISSION CASE
main35151-33090i201206-201507
35152ACOVER, AUTOMATIC TRANSMISSION CASE, NO.2
main35151-33100i201206-201507
35153CCOVER, AUTOMATIC TRANSMISSION CASE, NO.3
main35153-33030i201206-201507
35308DCOVER SUB-ASSY, TRANSMISSION OIL PUMP
main35308-33030i201209-201507
35308FRING, O, NO.1 (FOR TRANSMISSION OIL PUMP COVER)
main90301-72006i201206-201507
35308GRING, O, NO.2 (FOR TRANSMISSION OIL PUMP COVER)
main90301-06196i201206-201507
35308HPLUG (FOR TRANSMISSION OIL PUMP COVER)
main90341-08001i201206-201507
35351BROTOR, TRANSAXLE OIL PUMP DRIVE
main35351-33010i201206-201507
35352AROTOR, TRANSMISSION OIL PUMP DRIVEN
main35352-33010i201206-201507
35371SHAFT, OIL PUMP DRIVE
main35371-33060i201206-201507
35572BLEVER, TRANSMISSION, OUTER
main35572-33030i201206-201507
39195DAMPER, HV TRANSAXLE MASS
main39195-33020i201206-201507
8401
G1020COVER ASSY, MOTOR WATER JACKET, NO.1
mainG102033010i201206-201507
G1020ACOVER ASSY, MOTOR WATER JACKET, NO.2
mainG102048030i201206-201507
G9221BCOVER, INVERTER, UPRPER
mainG922133010i201206-201507
8271533B10BRACKET,WIRING HARNESS CLAMP
9010506300
9043018008
9046706190
9046706202
9155180614
9155180618
91551G0822
9167180622
9167180822
9167380616
9413000802
9451200800

34 parts on this diagram · 2 diagrams in section

TRANSAXLE ASSY(HEV OR BEV OR FCEV) — Toyota Parts Diagram with OEM Numbers & Prices | EPC Data