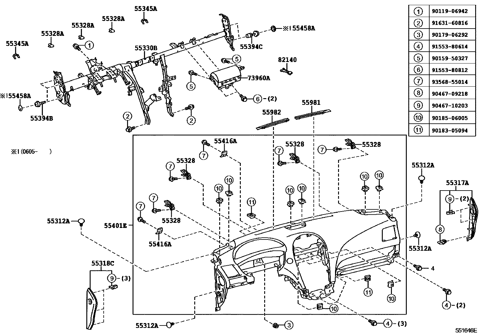
INSTRUMENT PANEL & GLOVE COMPARTMENT

55312ACLIP, INSTRUMENT PANEL
55317APANEL, INSTRUMENT SIDE, RH
BLACK,TRIM2#
BLACK,TRIM1#,2#
ORCHID BROWN,TRIM0#
DK.BLUE,TRIM1#
55318CPANEL, INSTRUMENT SIDE, LH
BLACK,TRIM1#,2#
BLACK,TRIM2#
ORCHID BROWN,TRIM0#
DK.BLUE,TRIM1#
55328PIN, INSTRUMENT PANEL, NO.1
55330BREINFORCEMENT ASSY, INSTRUMENT PANEL
55401EPAD SUB-ASSY, INSTRUMENT PANEL SAFETY
55416ARETAINER, METER HOOD, NO.1
55458ACAP, INSTRUMENT PANEL SAFETY PAD
55981GARNISH, DEFROSTER NOZZLE, NO.1
55982GARNISH, DEFROSTER NOZZLE, NO.2
82140WIRE ASSY, INSTRUMENT PANEL
9011906942
main90119-06942
9015950327
main90159-50327
9017906292
main90179-06292
9018305094
main90183-05094
9018506005
main90185-06005
9046709218
main90467-09218
9046710203
main90467-10203
9155380614
main91553-80614
9155380812
main91553-80812
9163160816
main91631-60816
9356855014
main93568-55014
27 parts on this diagram · 4 diagrams in section