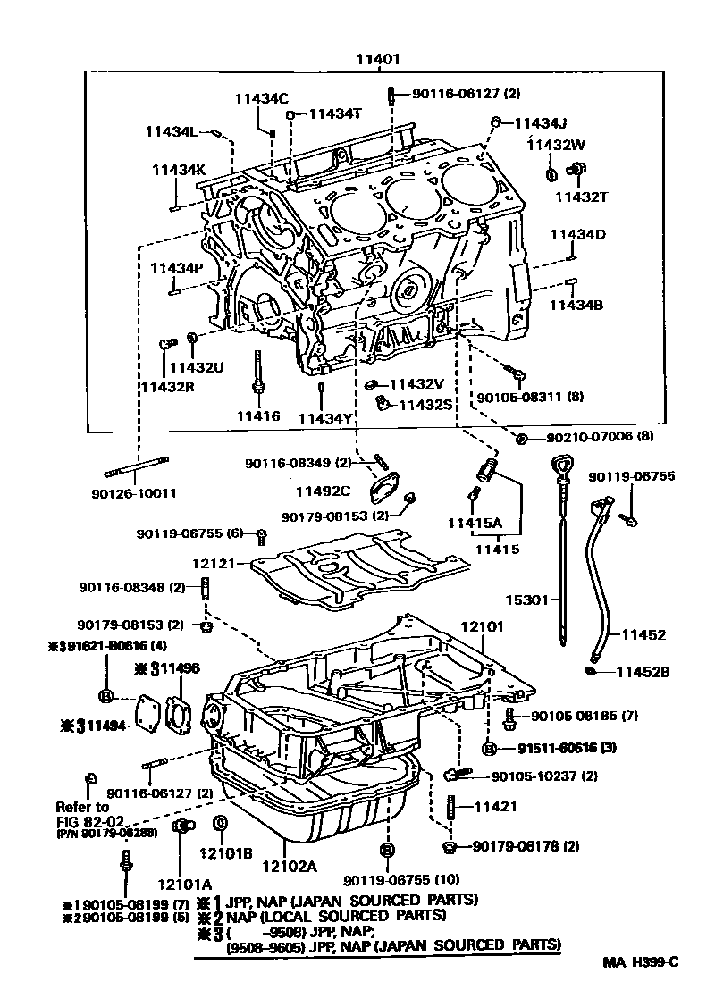
CYLINDER BLOCK

11415APLUG, WATER DRAIN COCK(FOR CYLINDER BLOCK)
11421BOLT, STUD(FOR OIL PAN)
11432RPLUG, W/HEAD STRAIGHT SCREW, NO.1(FOR CYLINDER BLOCK)
11432SPLUG, W/HEAD STRAIGHT SCREW, NO.2(FOR CYLINDER BLOCK)
11432TPLUG, W/HEAD STRAIGHT SCREW, NO.3(FOR CYLINDER BLOCK)
11432UGASKET, STRAIGHT SCREW PLUG NO.1(FOR CYLINDER BLOCK)
11432VGASKET, STRAIGHT SCREW PLUG NO.2(FOR CYLINDER BLOCK)
11432WGASKET, STRAIGHT SCREW PLUG NO.3(FOR CYLINDER BLOCK)
11434BPIN, STRAIGHT(FOR CLUTCH HOUSING SET)
L=22,OD=10
11434CPIN, STRAIGHT (FOR CYLINDER HEAD SET)
L=12,OD=4.0
11434DPIN, STRAIGHT(FOR ENGINE REAR OIL SEAL)
L=12,OD=4.0
L=14,OD=6
11434JPIN, RING (FOR CYLINDER HEAD SET)
11434KPIN, STRAIGHT(FOR WATER PUMP)
11434LPIN, STRAIGHT(FOR ENGINE MOUNTING)
11434PPIN, STRAIGHT(FOR OIL PUMP SET)
L=12,OD=4.0
L=8,OD=11
11434TPIN, RING(FOR TIMING BELT IDLER BRACKET SET)
11434YPIN, STRAIGHT(FOR OIL PAN)
11452BRING, O(FOR OIL LEVEL GAGE GUIDE)
11492CPLATE, WATER SEAL
sub11492-20010
11494PLATE, OIL HOLE COVER
11496GASKET, OIL HOLE COVER PLATE
12102APAN SUB-ASSY, OIL, NO.2
8202
9010508185
main90105-08185
9010508199
main90105-08199
9010508311
main90105-08311
9010510237
main90105-10237
9011606127
main90116-06127
9011608348
main90116-08348
9011608349
main90116-08349
9011906755
main90119-06755
9012610011
main90126-10011
9017906178
main90179-06178
9017906288
main90179-06288
9017908153
main90179-08153
9021007006
main90210-07006
9151160616
main91511-60616
91621B0616
main91621-B0616
47 parts on this diagram · 3 diagrams in section