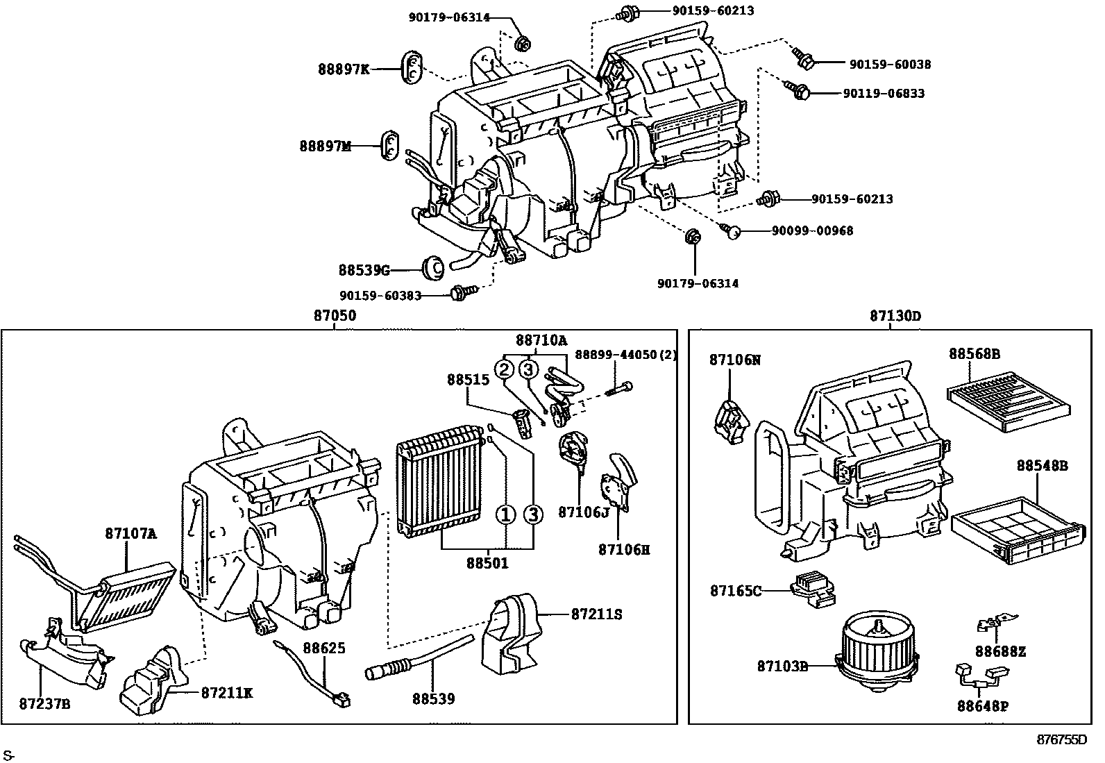
HEATING & AIR CONDITIONING - COOLER UNIT

87103BMOTOR SUB-ASSY, BLOWER W/FAN
87106HSERVO SUB-ASSY, DAMPER(FOR AIRMIX)
87106JSERVO SUB-ASSY, DAMPER(FOR MODE)
87106NSERVO SUB-ASSY, DAMPER(FOR RECIRCULATION)
87107AUNIT SUB-ASSY, HEATER RADIATOR
87165CCONTROL, BLOWER MOTOR
87211KDUCT, AIR
87211SDUCT, AIR
87237BCOVER, HEATER PIPING
88515VALVE, COOLER EXPANSION
88539HOSE, COOLER UNIT DRAIN, NO.1
88539GGROMMET (FOR COOLER UNIT DRAIN HOSE)
88548BCASE, AIR FILTER
88568BFILTER, AIR
DUST FILTER
88625THERMISTOR, COOLER, NO.1
88648PWIRE,AIR CONDITIONER,NO.1
88688ZBRACKET
88710ATUBE ASSY, AIR CONDITIONER
88897KGROMMET, (FOR COOLER PIPE)
88897MGROMMET (FOR HEATER PIPE)
8889944050COVER, EVAPORATOR
main88899-44050
9009900968
main90099-00968
9011906833
main90119-06833
9015960038
main90159-60038
9015960213
main90159-60213
9015960383
main90159-60383
9017906314
main90179-06314
30 parts on this diagram · 2 diagrams in section