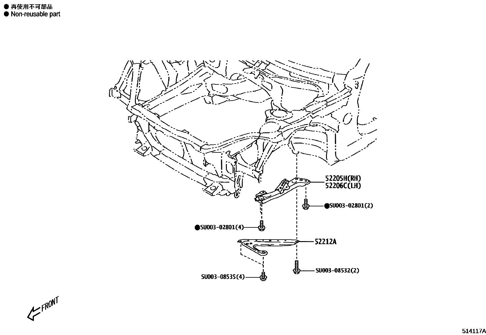
SUSPENSION CROSSMEMBER & UNDER COVER

52205HCUSHION SUB-ASSY, BODY MOUNTING, REAR RH
52206CCUSHION SUB-ASSY, BODY MOUNTING, REAR LH
52212ACUSHION, BODY MOUNTING, NO.2
RH
LH
SU00302801
mainSU003-02801
SU00308532
mainSU003-08532
SU00308535
mainSU003-08535
6 parts on this diagram · 5 diagrams in section