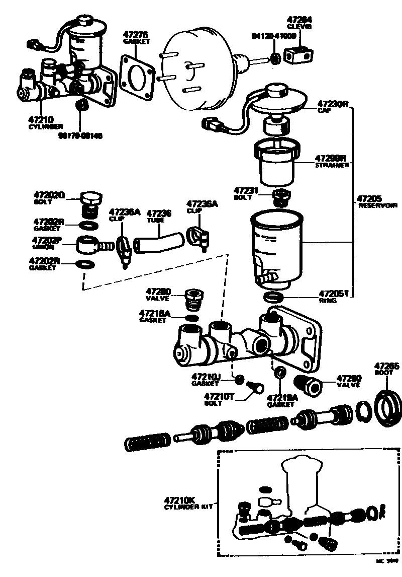
BRAKE MASTER CYLINDER

47202PUNION, RESERVOIR(FOR BRAKE MASTER CYLINDER SIDE)
47202QBOLT, RESERVOIR UNION(FOR BRAKE MASTER CYLINDER SIDE)
47202RGASKET, RESERVOIR UNION(FOR BRAKE MASTER CYLINDER SIDE)
47205TRING(FOR BRAKE MASTER CYLINDER RESERVOIR, NO.2)
47210CYLINDER ASSY, MASTER, W/O BOOSTER
47210JGASKET(FOR MASTER CYLINDER)
47210KCYLINDER KIT, BRAKE MASTER
47210TBOLT(FOR BRAKE MASTER CYLINDER)
47218AGASKET(FOR FLUID OUTLET PLUG)
47219AGASKET(FOR FLUID OUTLET PLUG REAR SIDE)
47231BOLT, BRAKE MASTER CYLINDER RESERVOIR SET
47236TUBE, RESERVOIR BRAKE
47236ACLIP(FOR RESERVOIR TUBE)
47264CLEVIS, MASTER CYLINDER PUSH ROD
47265BOOT, MASTER CYLINDER
47275GASKET, BRAKE MASTER CYLINDER
47280VALVE ASSY, BRAKE MASTER CYLINDER OUTLET CHECK
47290VALVE ASSY, MASTER CYLINDER OUTLET(FOR REAR SIDE)
47299RSTRAINER, MASTER CYLINDER RESERVOIR, REAR
9017908146
main90179-08146
9412041000
main94120-41000
23 parts on this diagram · 1 diagram in section