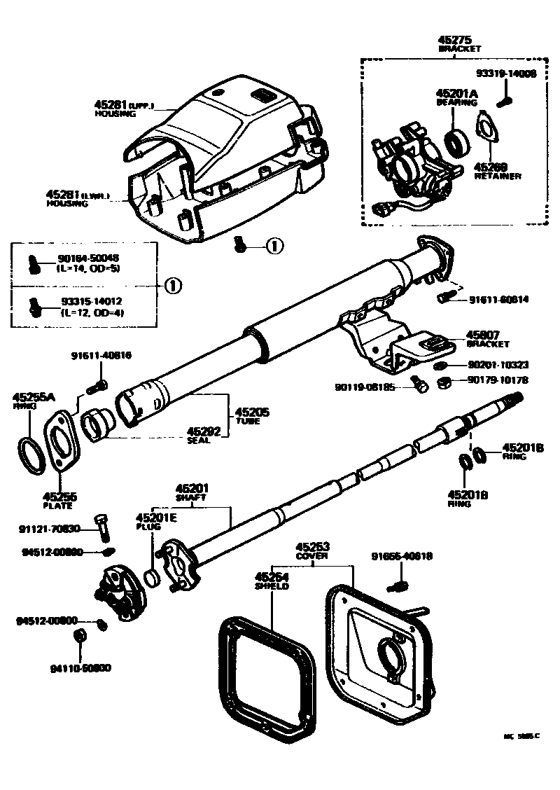
STEERING COLUMN & SHAFT

45201SHAFT SUB-ASSY, STEERING MAIN
W/POWER STEERING
45201ABEARING(FOR STEERING MAIN SHAFT)
UPR
LWR
45201BRING, SHAFT SNAP(FOR STEERING MAIN SHAFT)
T=1.20,T=1.2
T=1.35-1.45,T=1.4
45201EPLUG, PLATE(FOR STEERING MAIN SHAFT)
45205TUBE SUB-ASSY, STEERING COLUMN
W/POWER STEERING
45253COVER, STEERING COLUMN HOLE
W/POWER STEERING
W/POWER STEERING
W/POWER STEERING
W/POWER STEERING
W/POWER STEERING
45254SHIELD, STEERING COLUMN HOLE
45255PLATE, STEERING COLUMN HOLE COVER
45255AGROMMET OR RING, O(FOR STEERING COLUMN CLAMP)
45269RETAINER, MAIN SHAFT BEARING
45281HOUSING, STEERING COLUMN
UPR,BLACK,BLACK
UPR,DARK WINE,RED/MAROON
UPR,BEIGE,BEIGE
LWR,BLACK,BLACK
LWR,DARK WINE,RED/MAROON
LWR,BEIGE,BEIGE
45292SEAL, MAIN SHAFT LOWER DUST
sub45292-22040
45807BRACKET SUB-ASSY, STEERING COLUMN UPPER SUPPORT
9011908185
main90119-08185
9016450048
main90164-50048
9017910178
main90179-10178
9020110323
main90201-10323
9112170830
main91121-70830
9161140816
main91611-40816
9161160614
main91611-60614
9165540618
main91655-40618
9331514012
main93315-14012
9331914008
main93319-14008
9411050800
main94110-50800
9451200800
main94512-00800
26 parts on this diagram · 6 diagrams in section