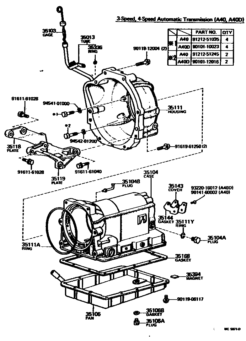
TRANSMISSION CASE & OIL PAN (ATM)

35013TUBE SUB-ASSY, TRANSMISSION OIL FILLER
35104APLUG, AUTOMATIC TRANSMISSION CASE
35104BPLUG, BREATHER, NO.1 (ATM)
35106APLUG SUB-ASSY, DRAIN (ATM)
L=8.0
35106BGASKET, DRAIN PLUG (ATM)
T=2.0,OD=16.7
T=0.8,OD=22.0
35111ARING, O (FOR AUTOMATIC TRANSMISSION HOUSING)
sub90301-99054
35111YRING, O (FOR AUTOMATIC TRANSMISSION CASE)
35118PLATE, STIFENER, RH (ATM)
35119PLATE, STIFENER, LH (ATM)
sub33119-22022
35143COVER, TRANSMISSION CASE, REAR
35144GASKET, TRANSMISSION CASE REAR COVER
sub35144-28010
35168GASKET, AUTOMATIC TRANSMISSION OIL PAN
35336RING, O (FOR TRANSMISSION OIL FILLER TUBE)
35394MAGNET, OIL CLEANER (FOR TRANSMISSION)
9010110023
main90101-10023
9010112016
main90101-12016
9011906117
main90119-06117
9011912004
main90119-12004
9014160002
main90141-60002
9121251035
main91212-51035
9121251245
main91212-51245
9161161028
main91611-61028
9161161040
main91611-61040
9161961250
main91619-61250
9322016012
main93220-16012
9454101000
main94541-01000
9454201200
main94542-01200
31 parts on this diagram · 1 diagram in section