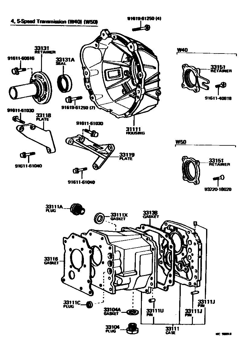
CLUTCH HOUSING & TRANSMISSION CASE (MTM)

33104PLUG SUB-ASSY, DRAIN(MTM)
33111APLUG, MANUAL TRANSMISSION CASE
33111CPLUG(FOR TRANSMISSION CASE)
OD=14
33111JPIN, STRAIGHT(FOR MANUAL TRANSMISSION CASE)
L=16,OD=12,L=16
L=17,OD=12,L=17
OD=12,L=39
OD=6,L=11
33111UPIN, RING(FOR MANUAL TRANSMISSION CASE)
L=12,OD=13
33116GASKET, MANUAL TRANSMISSION CASE
33118PLATE, STIFFENER, RH(MTM)
33119PLATE, STIFFENER, LH(MTM)
sub33119-22022
33131ASEAL, OIL(FOR TRANSMISSION FRONT BEARING RETAINER)
33151RETAINER, OUTPUT SHAFT REAR BEARING(MTM)
9161140818
main91611-40818
9161160616
main91611-60616
9161161030
main91611-61030
9161161040
main91611-61040
9161961250
main91619-61250
9322018020
main93220-18020
22 parts on this diagram · 2 diagrams in section