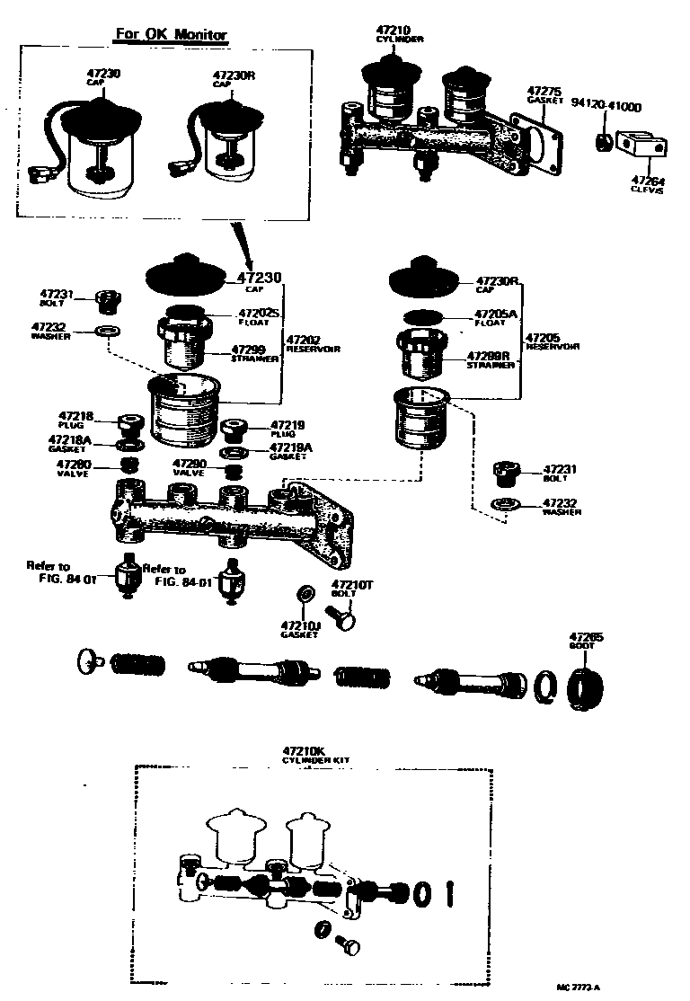
BRAKE MASTER CYLINDER

47202RESERVOIR SUB-ASSY, BRAKE MASTER CYLINDER
FOR E.S.P.
47202SFLOAT, MASTER CYLINDER RESERVOIR(FOR FRONT SIDE)
47205RESERVOIR SET, BRAKE MASTER CYLINDER(FOR REAR SIDE)
sub47202-20121
sub47202-14080
sub47202-14081
FOR E.S.P.
47205AFLOAT, BRAKE MASTER CYLINDER RESERVOIR(FOR REAR SIDE)
47210JGASKET(FOR MASTER CYLINDER)
47210TBOLT(FOR BRAKE MASTER CYLINDER)
47218AGASKET(FOR FLUID OUTLET PLUG)
47219AGASKET(FOR FLUID OUTLET PLUG REAR SIDE)
47230CAP ASSY, BRAKE MASTER CYLINDER RESERVOIR FILLER
sub84460-20010
sub84460-20051
sub84460-20091
sub84460-14031
47230RCAP ASSY, RESERVOIR, NO.2(FOR REAR SIDE)
sub47230-20040
sub84460-20020
sub84460-20061
sub84460-20101
47231BOLT, BRAKE MASTER CYLINDER RESERVOIR SET
47232WASHER, BRAKE RESERVOIR SET BOLT
47264CLEVIS, MASTER CYLINDER PUSH ROD
47265BOOT, MASTER CYLINDER
47275GASKET, BRAKE MASTER CYLINDER
47299STRAINER, BRAKE MASTER CYLINDER RESERVOIR
47299RSTRAINER, MASTER CYLINDER RESERVOIR, REAR
8401
9412041000
main94120-41000
25 parts on this diagram · 2 diagrams in section